Для студентов МГТУ им. Н.Э.Баумана по предмету Инженерная графикаБ-139Б-139
5,0058
2016-12-282024-10-02СтудИзба
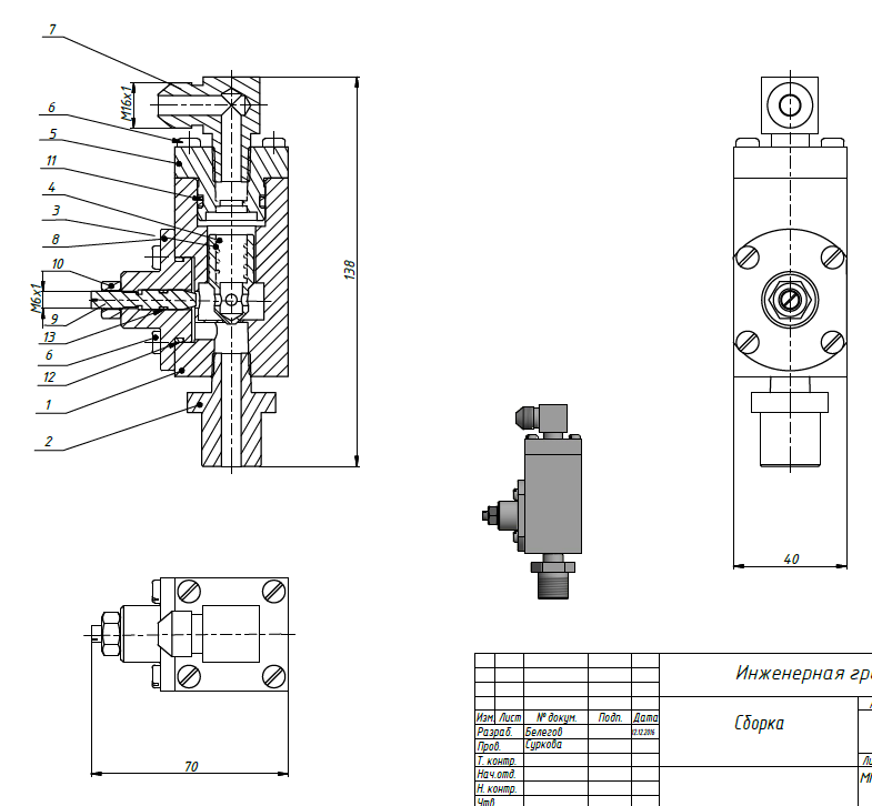
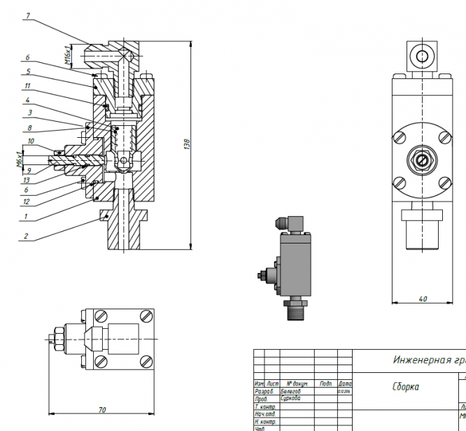
ДЗ Б: Б-139 вариант 139
-50%
Описание
Характеристики домашнего задания
Предмет
Учебное заведение
Семестр
Номер задания
Вариант
Просмотров
1016
Качество
Идеальное компьютерное
Размер
8,42 Mb
Список файлов
Инжграф ДЗ
OldVersions
Верхняя Крышка.0006.ipt
Винт.0004.ipt
Клапан.0003.ipt
Корпус.0011.ipt
Крышка.0008.ipt
Пружина.0002.ipt
Сборка.0009.dwg
Сборка.0015.iam
Угловой Штуцер.0005.ipt
Уплотнитель 1.0002.ipt
Уплотнитель вк.0002.ipt
Уплотнитель лк.0002.ipt
Штуцер.0004.ipt
дроссель.0002.ipt
корпс.0009.ipt
хзчто.0012.iam
Гайка ГОСТ 5915-70
Гайка М8-6Н.10 ГОСТ 5915-70.ipt
Гайка ГОСТ 5915-70.ipt
~Сборка.dwg.2324.tmp
Верхняя Крышка.ipt
Винт.ipt
Гайка М8-6Н.10 ГОСТ 5915-70.ipt
Клапан.ipt
Корпус.ipt
Крышка.ipt
Пружина.ipt
Сборка.dwg
Сборка.iam

Вам все понравилось? Получите кэшбэк - 40 рублей на Ваш счёт при покупке. Поставьте оценку и напишите положительный комментарий к купленному файлу. После Вы получите деньги на ваш счет.