Для студентов МГТУ им. Н.Э.Баумана по предмету Инженерная графикаДеталировка 29-10Деталировка 29-10
4,85516
2016-04-182024-10-02СтудИзба
ДЗ 29: Деталировка 29-10 вариант 10
-50%
Описание
Характеристики домашнего задания
Предмет
Учебное заведение
Семестр
Номер задания
Вариант
Просмотров
1277
Размер
5,72 Mb
Список файлов
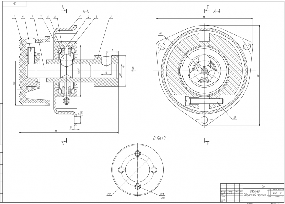
Деталировка 29-10
Фотки
1.jpg
2.jpg
3.jpg
4.jpg
Втулка.jpg
Гайка.jpg
Ось.jpg
Рукоятка 2.jpg
Рукоятка.jpg
Спецификация.jpg
1.bak
1.dwg
1.pdf
2.pdf
Верньер.pdf
Вставка.dwg
Вставка.pdf
Втулка.dwg
Втулка.pdf
Гайка.dwg
Гайка.pdf
Кольцо.dwg
Кольцо.pdf
Корпус.dwg
Корпус.pdf
На свякий.dwg
Обойма.dwg

Вам все понравилось? Получите кэшбэк - 40 рублей на Ваш счёт при покупке. Поставьте оценку и напишите положительный комментарий к купленному файлу. После Вы получите деньги на ваш счет.