Для студентов МГТУ им. Н.Э.Баумана по предмету Инженерная графикаВ-189В-189
5,00515
2015-11-202024-10-02СтудИзба
ДЗ В: В-189 вариант 189
-50%
Описание
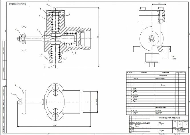
- Сборка выполнена в Autodesk Inventor в 3D
- 3D модели и чертежи всех деталей
- Чертежи также сохранены в PDF

Характеристики домашнего задания
Предмет
Учебное заведение
Семестр
Номер задания
Вариант
Просмотров
1442
Качество
Идеальное компьютерное
Размер
9,41 Mb
Список файлов
Сборка 189
Сборка 189 - Новый вариант
Мастер проектирования
Пружина сжатия1.iam
Пружина сжатия2.iam
Пружина сжатия3.iam
Пружина сжатия11.ipt
Пружина сжатия12.ipt
Пружина сжатия13.ipt
1) Ручка Чертеж.idw
1) Ручка Чертеж.pdf
1) Ручка.ipt
2) Корпус Чертеж.idw
2) Корпус Чертеж.pdf
2) Корпус.ipt
3) Винт.ipt
4) Крышка Чертеж.idw
4) Крышка Чертеж.pdf
4) Крышка.ipt
5) Фиксатор Чертеж.idw
5) Фиксатор Чертеж.pdf
5) Фиксатор.ipt
6) Пружина Чертеж.idw
6) Пружина Чертеж.pdf
6) Пружина.ipt
7) Пружина.ipt
8) Валик - Чертеж.idw
8) Валик - Чертеж.pdf
8) Валик.ipt
9) Гайка.ipt
10) Шайба.ipt

Вам все понравилось? Получите кэшбэк - 40 рублей на Ваш счёт при покупке. Поставьте оценку и напишите положительный комментарий к купленному файлу. После Вы получите деньги на ваш счет.