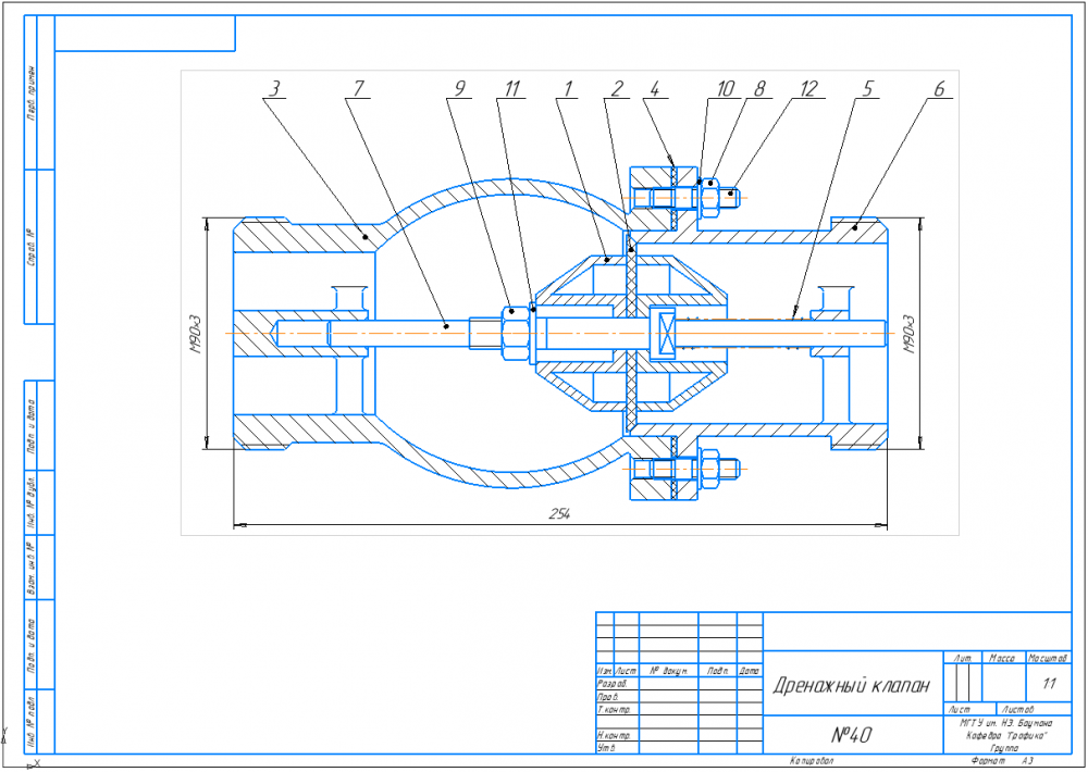
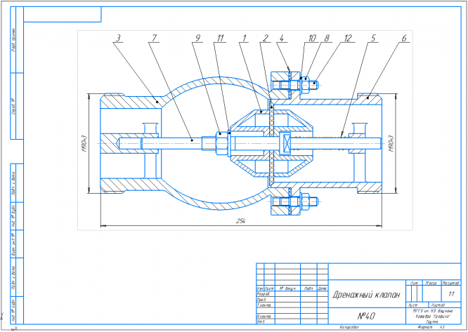
Для студентов МГТУ им. Н.Э.Баумана по предмету Инженерная графикаДренажный клапанДренажный клапан
5,0051
2015-10-092024-10-04СтудИзба
ДЗ: Дренажный клапан вариант 40
-50%
Описание
Характеристики домашнего задания
Предмет
Учебное заведение
Семестр
Вариант
Программы
Просмотров
1576
Качество
Идеальное компьютерное
Размер
64,51 Kb
Список файлов
40
Сборка.cdw
Спецификация.cdw

Вам все понравилось? Получите кэшбэк - 40 рублей на Ваш счёт при покупке. Поставьте оценку и напишите положительный комментарий к купленному файлу. После Вы получите деньги на ваш счет.