Для студентов МГТУ им. Н.Э.Баумана по предмету Инженерная графикаПневмоаппарат клапанныйПневмоаппарат клапанный
5,0053
2013-10-052024-10-04СтудИзба
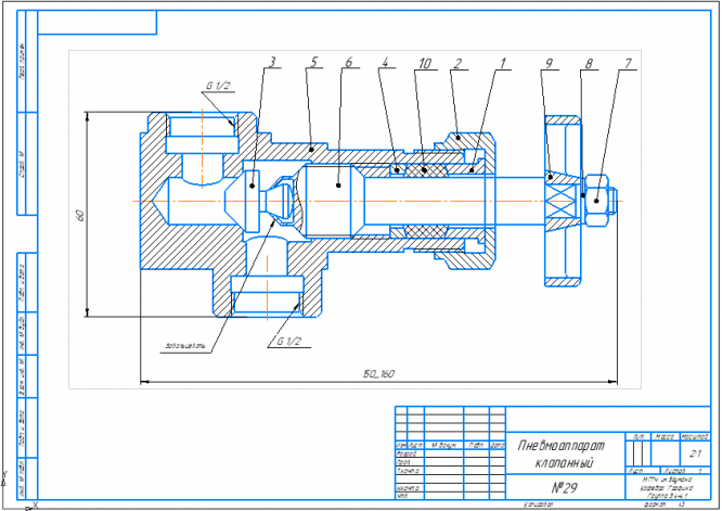
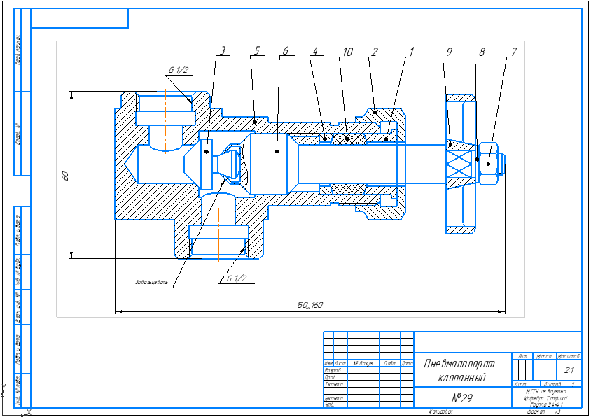
ДЗ: Пневмоаппарат клапанный вариант 29
Описание
Файлы условия, демо
Характеристики домашнего задания
Предмет
Учебное заведение
Семестр
Вариант
Программы
Просмотров
931
Качество
Идеальное компьютерное
Размер
70,69 Kb
Список файлов
29
Сборка.cdw
Спецификация.cdw

Вам все понравилось? Получите кэшбэк - 40 рублей на Ваш счёт при покупке. Поставьте оценку и напишите положительный комментарий к купленному файлу. После Вы получите деньги на ваш счет.