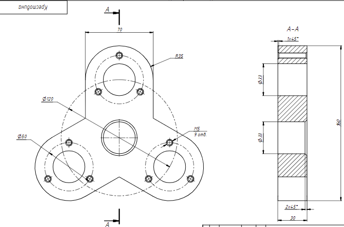
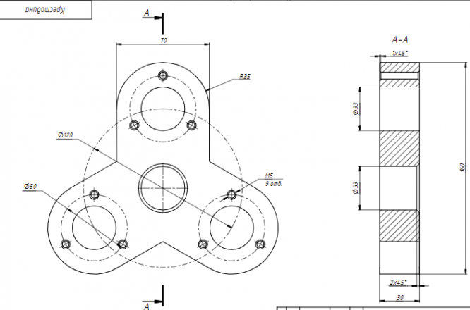
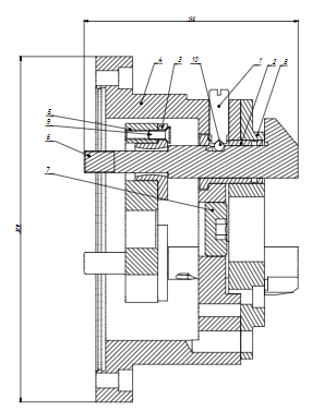
Для студентов МГТУ им. Н.Э.Баумана по предмету Инженерная графика13-12 Головка пневматического патрона13-12 Головка пневматического патрона
4,82525
2013-10-022013-10-02СтудИзба
ДЗ 13: 13-12 Головка пневматического патрона вариант 12
Описание
Характеристики домашнего задания
Предмет
Учебное заведение
Семестр
Номер задания
Вариант
Просмотров
2429
Качество
Файлы различного качества
Размер
24,7 Mb
Список файлов
13-12 Головка пневматического патрона
13-12
13-12
PB060009.JPG
PB060010.JPG
PB060011.JPG
PB060012.JPG
Деталировка13-12
OldVersions
Винт.0003.ipt
Втулка(12).0008.idw
Корпус.0006.ipt
Корпус.0007.idw
Крестовина.0002.idw
Крестовина.0003.idw
Прихват.0001.ipt
Прихват1.0001.ipt
Прихват1.0007.idw
Пробка.0003.idw
Пробка.0003.ipt
Фланец(Чертеж).0003.idw
Фланец.0001.idw
Фланец.0009.ipt
винт(Чертеж).0005.idw
втулка 11.0003.ipt
втулка 11.0004.idw
PDF
OldVersions
Крестовина.0004.ipt
Сборка1.0009.idw
Сборка1.0020.iam

Зарабатывай на студизбе! Просто выкладывай то, что так и так делаешь для своей учёбы: ДЗ, шпаргалки, решённые задачи и всё, что тебе пригодилось.
Начать зарабатывать
Начать зарабатывать