Для студентов МГТУ им. Н.Э.Баумана по предмету Инженерная графикаЧертежи фланцев для РК3Чертежи фланцев для РК3
2023-05-182023-05-18СтудИзба
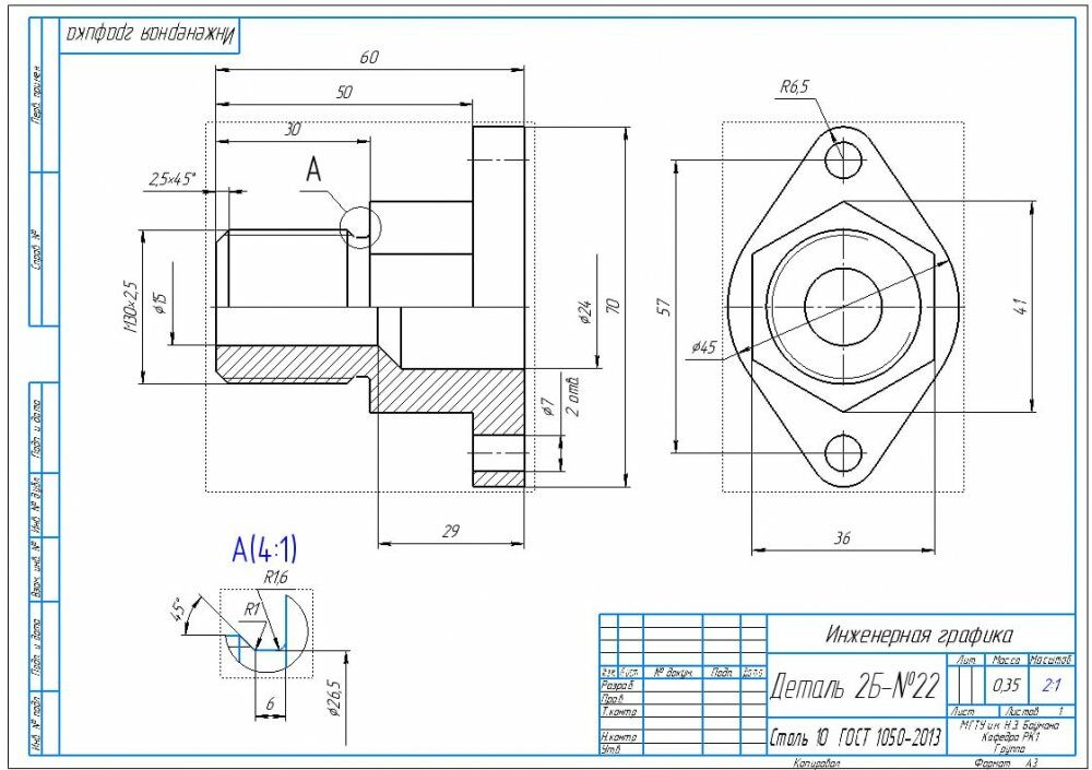
Ответы к зачёту 3: Чертежи фланцев для РК3
Описание
Характеристики ответов (шпаргалок) к зачёту
Предмет
Учебное заведение
Семестр
Номер задания
Программы
Просмотров
886
Размер
1,06 Mb
Список файлов

Vladelo
Комментарии

супер