Для студентов ИДДО НИУ «МЭИ» по предмету ИнформатикаКурс Информатика - КМ-2. Логические основы ЭВМ. Основные понятия алгебры логики. ТестированиеКурс Информатика - КМ-2. Логические основы ЭВМ. Основные понятия алгебры логики. Тестирование
4,99521971
2025-03-252025-03-25СтудИзба
💼 База ответов к тесту КМ-2: Логические основы ЭВМ. Основные понятия алгебры логики (Курс Информатика) 📊
Ответы к заданиям КМ-2: Курс Информатика - КМ-2. Логические основы ЭВМ. Основные понятия алгебры логики. Тестирование
Описание
Курс Информатика - КМ-2. Логические основы ЭВМ. Основные понятия алгебры логики. Тестирование
🔴 Другие тесты | Отдельные ответы по предмету | Помощь со сдачей ⬅️
➡️Любой предмет | Любой тест | Любая практика | ВКР (Диплом)⬅️
🗝️ ▶Помощь с сессией/долгами под ключ ◀ 🗝️
🔴 Другие тесты | Отдельные ответы по предмету | Помощь со сдачей ⬅️

➡️Любой предмет | Любой тест | Любая практика | ВКР (Диплом)⬅️
🗝️ ▶Помощь с сессией/долгами под ключ ◀ 🗝️
Список вопросов
Электронная схема, запоминающая 1 бит информации, - это ...
Истинным высказыванием является фраза:
Равенство (NOT A) AND B =1 выполняется при значениях ...
Какая логическая функция соответствует заданной таблице истинности?
X | Y | F |
0 | 0 | 0 |
0 | 1 | 0 |
1 | 0 | 1 |
1 | 1 | 0 |
Дано два простых высказывания:
A = "2+3=5" и
B = "2+2=4"
Какие из приведенных ниже высказываний ложны?
Составное высказывание, образованное в результате логического сложения (дизъюнкции), ...
Термин «логика» происходит от древнегреческого Лоукћ, означающего ...
Среди перечисленных предложений высказыванием является.-
Какую операцию на формальном языке алгебры высказываний принято обозначать значком «¬» либо чертой над логической переменной?
Дизъюнкцией двух высказываний А и В является новое высказывание С, которое ...
Импликацией двух высказываний А и В является новое высказывание С, которое .
Логическая операция инверсия соответствует логическому ...
Объединение двух (или нескольких) высказываний с помощью союза «ИЛИ» называется ...
Как записывается закон противоречия?
![]()

Логика - это ...
Высказывание - это ..
К понятиям формальной логики не относится ...
Сопоставьте операции...
Сколько столбцов и строк (включая строку-заголовок) будет в таблице истинности функции:
F=A^(B V-C)
F=A^(B V-C)
Как называется закон алгебры логики, гласящий: "Высказывание может быть либо истинным, либо ложным, третьего не дано. Результат логического сложения высказывания и его отрицания принимает значение «истина»: AV~A=1"?
При скольких целых значениях х будет истинным логическое выражение ((х<36) AND (x>33)) AND (x<35) ?
Высказывание «10 делится на 2 без остатка И 5 больше 5» реализуется логической операцией:
Сколько устойчивых состояний имеет триггер?
Сколько столбцов и строк (включая строку-заголовок) будет в таблице истинности функции:
F=A v(B → C)
F=A v(B → C)
Каким номером на рисунке обозначен логический элемент "ИЛИ-НЕ"?
![]()

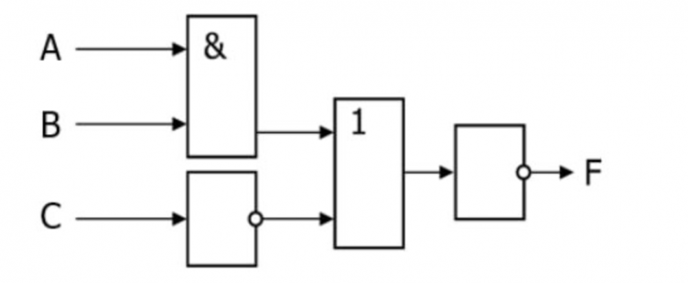
На входе логической схемы при F=1 возможна следующая комбинация сигналов (А, В, С)....
![]()

Инверсия может обозначаться как...
![]()

Высказывание «10 делится на 2 без остатка И 5 больше 5» реализуется логической операцией:
Найдите значение логического выражения
(AVB) & (BVC)VA& C
при A=1, В=0 и C=0
(AVB) & (BVC)VA& C
при A=1, В=0 и C=0
Составное высказывание, образованное в результате логической операции "исключающее ИЛи",...
Какой ученый разработал основы алгебры логики?
Отметьте все фразы, которые являются высказываниями:
Высказывание - это …
Укажите порядок выполнения логических операций в сложном логическом выражении:
Дано два простых высказывания:
А = "2+3=5" и
B = "2+2=4"
Какие из приведенных ниже высказываний истинны?
![]()
А = "2+3=5" и
B = "2+2=4"
Какие из приведенных ниже высказываний истинны?

Как называется закон алгебры логики, гласящий: "Высказывание не может быть одновременно истинным и ложным. Логическое произведение высказывания и его отрицания ложно: А∧¬А=0"?
Как записывается закон исключения третьего?
![]()

Какой логической функции соответствует данная таблица истинности?
![]()


Эти вопросы в других коллекциях
Характеристики ответов (шпаргалок) к заданиям
Тип
Коллекция: Ответы (шпаргалки) к заданиям
Предмет
Учебное заведение
Номер задания
Теги
Просмотров
7
Качество
Идеальное компьютерное
Количество вопросов
Преподаватели

Гарантия сдачи без лишних хлопот! ✅🎓 Ответы на тесты по любым дисциплинам, базы вопросов, работы и услуги для Синергии, МЭИ и других вузов – всё уже готово! 🚀 🎯📚 Гарантия качества – или возврат денег! 💰✅