Для студентов по предмету ФизикаКонцы цепи, состоящей из последовательно включённых конденсатора и активного сопротивления R=110 Ом, подсоединили к переменному напряжению с амплитуднКонцы цепи, состоящей из последовательно включённых конденсатора и активного сопротивления R=110 Ом, подсоединили к переменному напряжению с амплитудн
2022-06-282022-06-28СтудИзба
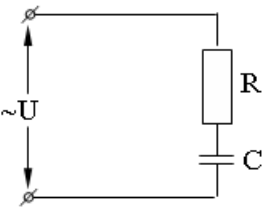
Концы цепи, состоящей из последовательно включённых конденсатора и активного сопротивления R=110 Ом, подсоединили к переменному напряжению с амплитудным значением Um = 110 В. При этом амплитуда установившегося тока в цепи Im = 0,50 А. Найти разность
Описание
Концы цепи, состоящей из последовательно включённых конденсатора и активного сопротивления R=110 Ом, подсоединили к переменному напряжению с амплитудным значением Um = 110 В. При этом амплитуда установившегося тока в цепи Im = 0,50 А. Найти разность фаз между током и подаваемым напряжением.
Характеристики решённой задачи
Предмет
Номер задания
Вариант
Программы
Теги
Просмотров
1
Качество
Идеальное компьютерное
Размер
41,57 Kb
Список файлов
