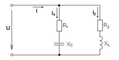
Главная » Учебные материалы » Физика » Решения задач » Найдите токи во всех ветвях и в неразветвленной части цепи однофазного синусоидального тока (рис.1), если R1=11,6 Ом; R2=√3∙20 Ом; Ом; f =50 Гц; C=160 мкФ; XL=20 Ом; U=220 В. Рис.1. Схема цепи

Найдите токи во всех ветвях и в неразветвленной части цепи однофазного синусоидального тока (рис.1), если R1=11,6 Ом; R2=√3∙20 Ом; Ом; f =50 Гц; C=160 мкФ; XL=20 Ом; U=220 В. Рис.1. Схема цепи

Описание

Найдите токи во всех ветвях и в неразветвленной части цепи однофазного синусоидального тока (рис.1), если R1=11,6 Ом; R2=√3∙20 Ом; Ом; f =50 Гц; C=160 мкФ; XL=20 Ом; U=220 В.

Рис.1. Схема цепи

Характеристики решённой задачи

Предмет
Просмотров
1
Качество
Идеальное компьютерное
Размер
95 Kb

Список файлов

Задача.doc
Картинка-подпись

Комментарии

Нет комментариев
Стань первым, кто что-нибудь напишет!
Поделитесь ссылкой:
Цена: 100 руб.
Расширенная гарантия +3 недели гарантии, +10% цены
Рейтинг автора
5 из 5
Поделитесь ссылкой:
Сопутствующие материалы
FREE
А.Г. Чертов, А.А. Воробьев - Задачник по физике
5.61. Определить растягивающее Pраст и срезающее Pсрез усилия, действующие на болты фланца A конического
10.48. Определить избыточное давление на входе в шестеренный насос системы смазки, подающий Q = 60 л/мин = 0,001 м3/с
Какое звуковое давление создает ультразвук, с уровнем интенсивности 100 дБ, распространяющийся в печени со скоростью 1,5 кмс? Плотность печени 1100 кгм3 .
Конденсаторы соединены так, как показано на рисунке. Емкости C1=5 мкФ, C2=2 мкФ, C3=4 мкФ. Общее напряжение на системе конденсаторов U=50 В. Найти общую емкость системы.
Какой должна быть минимальная толщина слоя воды между двумя плоскими стеклянными пластинами, чтобы стекло при нормальном падении света с длиной волны 640 нм казалось 1) темным? 2) светлым? Показатель преломления воды 1,33.

Подобрали для Вас услуги

-30%
-11%
-30%
Вы можете использовать решённую задачу для примера, а также можете ссылаться на неё в своей работе. Авторство принадлежит автору работы, поэтому запрещено копировать текст из этой работы для любой публикации, в том числе в свою задачу в учебном заведении, без правильно оформленной ссылки. Читайте как правильно публиковать ссылки в своей работе.
Свежие статьи
Популярно сейчас
Как Вы думаете, сколько людей до Вас делали точно такое же задание? 99% студентов выполняют точно такие же задания, как и их предшественники год назад. Найдите нужный учебный материал на СтудИзбе!
Ответы на популярные вопросы
Да! Наши авторы собирают и выкладывают те работы, которые сдаются в Вашем учебном заведении ежегодно и уже проверены преподавателями.
Да! У нас любой человек может выложить любую учебную работу и зарабатывать на её продажах! Но каждый учебный материал публикуется только после тщательной проверки администрацией.
Вернём деньги! А если быть более точными, то автору даётся немного времени на исправление, а если не исправит или выйдет время, то вернём деньги в полном объёме!
Да! На равне с готовыми студенческими работами у нас продаются услуги. Цены на услуги видны сразу, то есть Вам нужно только указать параметры и сразу можно оплачивать.
Отзывы студентов
Ставлю 10/10
Все нравится, очень удобный сайт, помогает в учебе. Кроме этого, можно заработать самому, выставляя готовые учебные материалы на продажу здесь. Рейтинги и отзывы на преподавателей очень помогают сориентироваться в начале нового семестра. Спасибо за такую функцию. Ставлю максимальную оценку.
Лучшая платформа для успешной сдачи сессии
Познакомился со СтудИзбой благодаря своему другу, очень нравится интерфейс, количество доступных файлов, цена, в общем, все прекрасно. Даже сам продаю какие-то свои работы.
Студизба ван лав ❤
Очень офигенный сайт для студентов. Много полезных учебных материалов. Пользуюсь студизбой с октября 2021 года. Серьёзных нареканий нет. Хотелось бы, что бы ввели подписочную модель и сделали материалы дешевле 300 рублей в рамках подписки бесплатными.
Отличный сайт
Лично меня всё устраивает - и покупка, и продажа; и цены, и возможность предпросмотра куска файла, и обилие бесплатных файлов (в подборках по авторам, читай, ВУЗам и факультетам). Есть определённые баги, но всё решаемо, да и администраторы реагируют в течение суток.
Маленький отзыв о большом помощнике!
Студизба спасает в те моменты, когда сроки горят, а работ накопилось достаточно. Довольно удобный сайт с простой навигацией и огромным количеством материалов.
Студ. Изба как крупнейший сборник работ для студентов
Тут дофига бывает всего полезного. Печально, что бывают предметы по которым даже одного бесплатного решения нет, но это скорее вопрос к студентам. В остальном всё здорово.
Спасательный островок
Если уже не успеваешь разобраться или застрял на каком-то задание поможет тебе быстро и недорого решить твою проблему.
Всё и так отлично
Всё очень удобно. Особенно круто, что есть система бонусов и можно выводить остатки денег. Очень много качественных бесплатных файлов.
Отзыв о системе "Студизба"
Отличная платформа для распространения работ, востребованных студентами. Хорошо налаженная и качественная работа сайта, огромная база заданий и аудитория.
Отличный помощник
Отличный сайт с кучей полезных файлов, позволяющий найти много методичек / учебников / отзывов о вузах и преподователях.
Отлично помогает студентам в любой момент для решения трудных и незамедлительных задач
Хотелось бы больше конкретной информации о преподавателях. А так в принципе хороший сайт, всегда им пользуюсь и ни разу не было желания прекратить. Хороший сайт для помощи студентам, удобный и приятный интерфейс. Из недостатков можно выделить только отсутствия небольшого количества файлов.
Спасибо за шикарный сайт
Великолепный сайт на котором студент за не большие деньги может найти помощь с дз, проектами курсовыми, лабораторными, а также узнать отзывы на преподавателей и бесплатно скачать пособия.
Популярные преподаватели
Добавляйте материалы
и зарабатывайте!
Продажи идут автоматически
7109
Авторов
на СтудИзбе
255
Средний доход
с одного платного файла
Обучение Подробнее