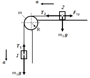
Для студентов по предмету ФизикаБлок массой m=6,1кг укреплен на конце стола и может вращаться без трения. Гири 1 и 2 массы m1=2,3кг и m2=9,4кг соединены нитью, перекинутой через блокБлок массой m=6,1кг укреплен на конце стола и может вращаться без трения. Гири 1 и 2 массы m1=2,3кг и m2=9,4кг соединены нитью, перекинутой через блок
5,0058
2021-10-282021-10-28СтудИзба
Блок массой m=6,1кг укреплен на конце стола и может вращаться без трения. Гири 1 и 2 массы m1=2,3кг и m2=9,4кг соединены нитью, перекинутой через блок. Гиря 2 находится на поверхности стола, а гиря 1 свешивается со стола. Коэффициент трения гири 2 о
Описание
Блок массой m=6,1кг укреплен на конце стола и может вращаться без трения. Гири 1 и 2 массы m1=2,3кг и m2=9,4кг соединены нитью, перекинутой через блок. Гиря 2 находится на поверхности стола, а гиря 1 свешивается со стола. Коэффициент трения гири 2 о стол μ=0,04. Найдите силу натяжения нити, действующую на первую гирю. Блок считайте однородным диском. Ускорение свободного падения g=10 м/с2.

Характеристики решённой задачи
Предмет
Программы
Просмотров
64
Качество
Идеальное компьютерное
Размер
26,58 Kb
Список файлов
