Для студентов по предмету Электротехника (ЭлТех)Расчет разветвленной цепи постоянного токаРасчет разветвленной цепи постоянного тока
5,0053192
2025-02-242025-02-24СтудИзба
Задача: Расчет разветвленной цепи постоянного тока
Описание
Для электрической цепи, соответствующей номеру варианта, выполнить следующее:
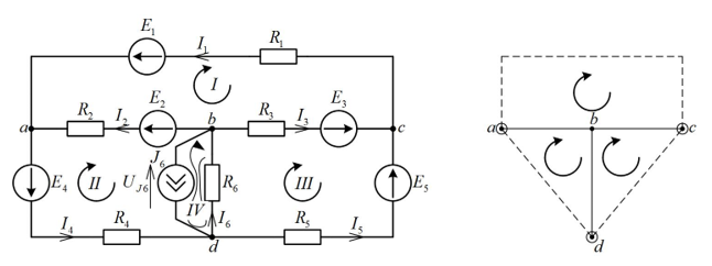
1. Начертить схему электрической цепи, дерево графа, дополненное ветвями связи. Написать уравнения по законам Кирхгофа (найти токи в ветвях, решив полученную систему на ЭВМ).
2. Выполнить расчет токов во всех ветвях методом контурных токов.
3. Проверить правильность решения по второму закону Кирхгофа по двум контурам.
4. Составить баланс мощностей цепи.
5. Построить потенциальную диаграмму для внешнего контура.
6. Определить ток в одной из ветвей (по своему выбору) по методу эквивалентного генератора. Определение токов в цепи после размыкания выбранной ветви выполнить методом узловых потенциалов.
![]()
1. Начертить схему электрической цепи, дерево графа, дополненное ветвями связи. Написать уравнения по законам Кирхгофа (найти токи в ветвях, решив полученную систему на ЭВМ).
2. Выполнить расчет токов во всех ветвях методом контурных токов.
3. Проверить правильность решения по второму закону Кирхгофа по двум контурам.
4. Составить баланс мощностей цепи.
5. Построить потенциальную диаграмму для внешнего контура.
6. Определить ток в одной из ветвей (по своему выбору) по методу эквивалентного генератора. Определение токов в цепи после размыкания выбранной ветви выполнить методом узловых потенциалов.
E1, В | E2, В | E3, В | E4, В | E5, В | R1, Ом | R2, Ом | R3, Ом | R4, Ом | R5, Ом | R6, Ом | J6, А |
80 | 100 | 60 | 50 | 90 | 16 | 10 | 20 | 6 | 18 | 22 | 2 |

Характеристики решённой задачи
Предмет
Просмотров
1
Качество
Идеальное компьютерное
Размер
315,67 Kb
Список файлов
7var (2-9).docx

Если нужен другой вариант работы или отдельная задача из любой работы, пишите в комментарии