Для студентов по предмету Электротехника (ЭлТех)Определить напряжения, токи, мощности всех участков цепи и показания ваттметров в симметричной трехфазной цепи: 1.до подключения конденсаторов; 2.поОпределить напряжения, токи, мощности всех участков цепи и показания ваттметров в симметричной трехфазной цепи: 1.до подключения конденсаторов; 2.по
5,00518006
2024-03-202024-03-20СтудИзба
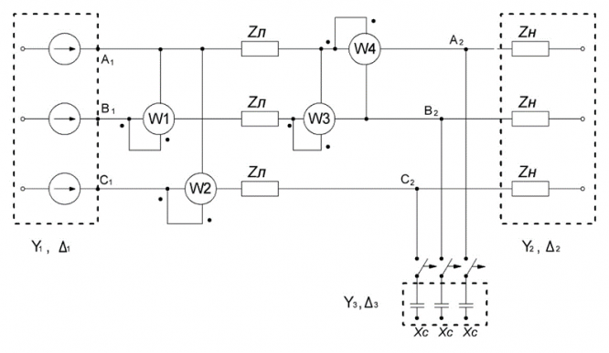
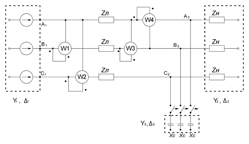
Определить напряжения, токи, мощности всех участков цепи и показания ваттметров в симметричной трехфазной цепи: 1.до подключения конденсаторов; 2.после включения конденсаторов, обеспечивающих заданную величину коэффициента мощности (cosφ). Построит
Описание
Определить напряжения, токи, мощности всех участков цепи и показания ваттметров в симметричной трехфазной цепи:
- до подключения конденсаторов;
- после включения конденсаторов, обеспечивающих заданную величину коэффициента мощности (cosφ).
Построить топографическую диаграмму напряжений, совместив ее с векторной диаграммой токов. Доказать правильность определения показаний ваттметров.

Характеристики решённой задачи
Предмет
Номер задания
Вариант
Программы
Просмотров
6
Качество
Идеальное компьютерное
Размер
362,49 Kb
Список файлов
Задача8.docx
