Для студентов по предмету Электротехника (ЭлТех)Для электрической цепи (рис . 1) выполнить следующее: 1 Составить и решить систему уравнений, необходимых для определения токов по первому и второму Для электрической цепи (рис . 1) выполнить следующее: 1 Составить и решить систему уравнений, необходимых для определения токов по первому и второму
5,00518060
2021-11-272021-11-27СтудИзба
Для электрической цепи (рис . 1) выполнить следующее: 1 Составить и решить систему уравнений, необходимых для определения токов по первому и второму законам Кирхгофа; 2 Найти все токи, пользуясь методом узлового напряжения; 3 Составить баланс мощн
Описание
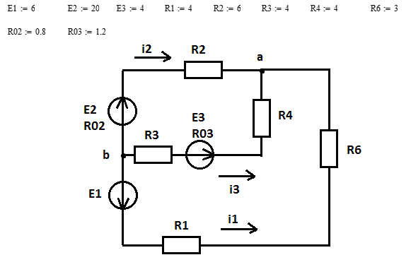
Для электрической цепи (рис . 1) выполнить следующее:
1 Составить и решить систему уравнений, необходимых для определения токов по первому и второму законам Кирхгофа;
2 Найти все токи, пользуясь методом узлового напряжения;
3 Составить баланс мощностей и режим работы источников ЭДС.
Дано:
Характеристики решённой задачи
Предмет
Просмотров
11
Качество
Идеальное компьютерное
Размер
31,64 Kb
Список файлов
Задача1.docx
