Для студентов по предмету Электротехника (ЭлТех)Решённая задача 9.15Решённая задача 9.15
5,0053
2018-12-162018-12-16СтудИзба
Задача: Решённая задача 9.15
Описание
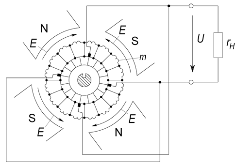
Задача 9-15.
Как изменится напряжение работающего вхолостую генератора, если произойдет обрыв обмотки якоря, например в точке m рис. 9-15? Указать правильный ответ.
1. Уменьшится. 2. Увеличится. 3. Не изменится.
Рис. 9-15
Характеристики решённой задачи
Предмет
Просмотров
281
Качество
Идеальное компьютерное
Размер
24,03 Kb
Список файлов
9.15.docx

Зарабатывай на студизбе! Просто выкладывай то, что так и так делаешь для своей учёбы: ДЗ, шпаргалки, решённые задачи и всё, что тебе пригодилось.
Начать зарабатывать
Начать зарабатывать