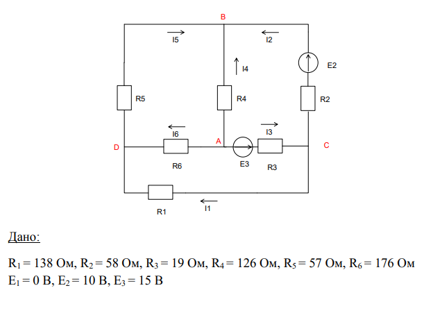
Для студентов МГТУ им. Н.Э.Баумана по предмету Электротехника (ЭлТех)Домашнее задание № 1 по курсу «Электротехника и электроника» Вариант № 8 (2021г)Домашнее задание № 1 по курсу «Электротехника и электроника» Вариант № 8 (2021г)
4,885269
2021-04-162021-04-16СтудИзба
Другое: Домашнее задание № 1 по курсу «Электротехника и электроника» Вариант № 8 (2021г)
Описание
Домашнее задание № 1 по курсу «Электротехника и электроника» Вариант № 8
![]()

Характеристики учебной работы
Тип
Предмет
Учебное заведение
Семестр
Просмотров
27
Размер
391,05 Kb
Список файлов
87a8897d-5894-0745-8537-68e5c048ccdb.pdf
Комментарии
Нет комментариев
Стань первым, кто что-нибудь напишет!
МГТУ им. Н.Э.Баумана
















