Для студентов МГТУ им. Н.Э.Баумана по предмету Электротехника (ЭлТех)решение олимпиады по электротехнике и электронике 2020-2021 (в новом формате)решение олимпиады по электротехнике и электронике 2020-2021 (в новом формате)
5,0059
2021-01-262021-01-26СтудИзба
Другое: решение олимпиады по электротехнике и электронике 2020-2021 (в новом формате)
Бестселлер
Описание
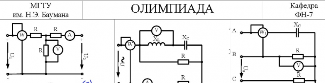
В декабре 2020 года в формате дистанционного обучения была проведена олимпиада по дисциплине "Электротехнике и Электроника" для всех факультетов. Я заняла почётное призовое 2ое место (и получила ОТЛ АВТОМАТОМ!!!) , в связи с этим хочу поделиться и с вами некоторыми материалами и решениями этой олимпиады.

Характеристики учебной работы
Тип
Предмет
Учебное заведение
Семестр
Просмотров
133
Размер
3,03 Mb
Список файлов
олимпиада решения ЭЛТЕХ
задания.jpg
решение ОЛИМПИАДЫ по Электротехнике и Электронике (все факультеты_ 2020-2021 год).pdf