Для студентов МГТУ им. Н.Э.Баумана по предмету Электротехника (ЭлТех)Исследование однофазной цепи синусоидального тока при параллельном соединении приемниковИсследование однофазной цепи синусоидального тока при параллельном соединении приемников
5,00566
2025-01-062025-04-03СтудИзба
Лабораторная работа 3: Исследование однофазной цепи синусоидального тока при параллельном соединении приемников
Описание
ОТЧЁТ О РАБОТЕ
ИССЛЕДОВАНИЕ ОДНОФАЗНОЙ ЦЕПИ СИНУСОИДАЛЬНОГО ТОКА ПРИ ПАРАЛЛЕЛЬНОМ СОЕДИНЕНИИ ПРИЁМНИКОВ
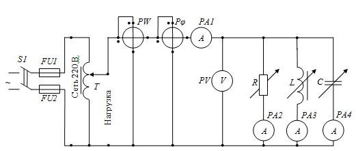
СХЕМЫ СОЕДИНЕНИЙ
Рис. 1. Схема исследуемой цепи
РАСЧЁТНОЕ ЗАДАНИЕ
Расчётное задание №1, вариант 8, представлено в табл. 1:
Табл. 1. Результаты расчета цепи
ИССЛЕДОВАНИЕ ОДНОФАЗНОЙ ЦЕПИ СИНУСОИДАЛЬНОГО ТОКА ПРИ ПАРАЛЛЕЛЬНОМ СОЕДИНЕНИИ ПРИЁМНИКОВ
СХЕМЫ СОЕДИНЕНИЙ

РАСЧЁТНОЕ ЗАДАНИЕ
Расчётное задание №1, вариант 8, представлено в табл. 1:
Табл. 1. Результаты расчета цепи
Пример расчёта № 3 при C = 60 мкФ: | ||||||||
| | | | | | | | |
Характеристики лабораторной работы
Предмет
Учебное заведение
Номер задания
Просмотров
5
Размер
510 Kb
Список файлов
ЛР3.doc