Для студентов МГТУ им. Н.Э.Баумана по предмету Электротехника (ЭлТех)Испытание однофазного трансформатораИспытание однофазного трансформатора
5,00554
2025-01-062025-04-03СтудИзба
Лабораторная работа 7: Испытание однофазного трансформатора
Описание
Отчет о работе №7
Испытание однофазного трансформатора
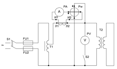
Схемы соединений
2. Электрическая схема для проведения опыта испытательного короткого замыкания
Замечания преподавателя:
1. Испытание трансформатора методом непосредственной нагрузки
- ток в первичной обмотке трансформатора
- ток во вторичной обмотке трансформатора
Таблица 1.1 Характеристики трансформатора при U1=U1ном=220 В; cosφ2=1; f=50 Гц
Испытание однофазного трансформатора
Схемы соединений

2. Электрическая схема для проведения опыта испытательного короткого замыкания
Замечания преподавателя:
1. Испытание трансформатора методом непосредственной нагрузки
- ток в первичной обмотке трансформатора
- ток во вторичной обмотке трансформатора
Таблица 1.1 Характеристики трансформатора при U1=U1ном=220 В; cosφ2=1; f=50 Гц
Опытные данные | Результаты вычислений | Примечание | ||||||||
I1 | P1 | U2 | I2 | β | cos𝜑1 | P2 | η | |||
дел. | А | дел. | Вт | В | А | - | - | Вт | - | |
0 | 0,0 | 0,0 | 0 | 134 | 0,0 | 0,00 | 0,00 | 0,0 | 0,00 | сA= 0,2 A/дел. СW= 20 Вт/дел. |
18 | 3,6 | 18,0 | 360 | 132 | 2,6 | 0,35 | 0,45 | 343,2 | 0,95 | |
20 | 4,0 | 22,0 | 440 | 132 | 3,0 | 0,40 | 0,50 | 396,0 | 0,90 | |
23 | 4,6 | 24,5 | 490 | 132 | 3,5 | 0,47 | 0,48 | 462,0 | 0,94 | |
26 | 5,2 | 28,0 | 560 | 130 | 4,0 | 0,53 | 0,49 | 520,0 | 0,93 | |
29 | 5,8 | 31,0 | 620 | 130 | 4,5 | 0,60 | 0,49 | 585,0 | 0,94 | |
32 | 6,4 | 34,0 | 680 | 130 | 5,0 | 0,66 | 0,48 | 650,0 | 0,96 |
Характеристики лабораторной работы
Предмет
Учебное заведение
Номер задания
Просмотров
4
Размер
146,9 Kb
Список файлов
ЛР_7.docx