Для студентов МГТУ им. Н.Э.Баумана по предмету Электротехника (ЭлТех)Испытание однофазного трансформатораИспытание однофазного трансформатора
5,00574
2025-01-062025-04-03СтудИзба
Лабораторная работа 7: Испытание однофазного трансформатора
Описание
Отчет о работе №7
Испытание однофазного трансформатора
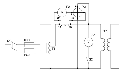
Схемы соединений
Замечания преподавателя:
![]()
Испытание однофазного трансформатора
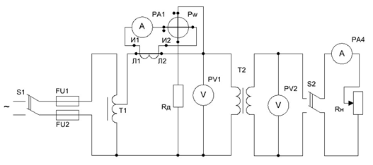
Схемы соединений
Замечания преподавателя:

| Характеристики трансформатора при U1=U1ном=220В; cos𝜑2=1; f=50Гц | Таблица 1 | |||||||||
| Опытные данные | Результаты вычислений | Примечание | ||||||||
| I1 | P1 | U2 | I2 | β | cos𝜑1 | P2 | η | |||
| дел. | А | дел. | Вт | В | А | - | - | Вт | - | |
| 0,00 | 0,00 | 0,00 | 0,00 | 134,00 | 0,00 | 0,00 | 0,00 | 0,00 | 0,00 | сA= 0,2 A/дел. сW= 20 Вт/дел. |
| 18,00 | 3,60 | 18,00 | 360,00 | 132,00 | 2,60 | 0,35 | 0,45 | 343,20 | 0,95 | |
| 20,00 | 4,00 | 22,00 | 440,00 | 132,00 | 3,00 | 0,40 | 0,50 | 396,00 | 0,90 | |
| 23,00 | 4,60 | 24,50 | 490,00 | 132,00 | 3,50 | 0,47 | 0,48 | 462,00 | 0,94 | |
| 26,00 | 5,20 | 28,00 | 560,00 | 130,00 | 4,00 | 0,53 | 0,49 | 520,00 | 0,93 | |
| 29,00 | 5,80 | 31,00 | 620,00 | 130,00 | 4,50 | 0,60 | 0,49 | 585,00 | 0,94 | |
| 32,00 | 6,40 | 34,00 | 680,00 | 130,00 | 5,00 | 0,66 | 0,48 | 650,00 | 0,96 | |
Характеристики лабораторной работы
Предмет
Учебное заведение
Номер задания
Просмотров
2
Размер
115,54 Kb
Список файлов
ЛР_7 (3).docx
Комментарии
Нет комментариев
Стань первым, кто что-нибудь напишет!
МГТУ им. Н.Э.Баумана
AlexInfinity


















