Для студентов МГТУ им. Н.Э.Баумана по предмету Электротехника (ЭлТех)Испытание однофазного трансформатораИспытание однофазного трансформатора
5,0051
2025-01-062025-04-03СтудИзба
Лабораторная работа 7: Испытание однофазного трансформатора
Описание
Отчет о работе №7
Испытание однофазного трансформатора
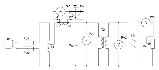
СХЕМА СОЕДИНЕНИЙ
Рис. 1 Электрическая схемы для проведения опытов непосредственной нагрузки трансформатора, холостого хода и короткого замыкания
Замечания преподавателя
- ток в первичной обмотке трансформатора
- ток во вторичной обмотке трансформатора
Таблица 1 Характеристики трансформатора при U1 = U1ном = 220 В; cosφ2 = 1; f = 50 Гц
Испытание однофазного трансформатора
СХЕМА СОЕДИНЕНИЙ

Рис. 1 Электрическая схемы для проведения опытов непосредственной нагрузки трансформатора, холостого хода и короткого замыкания
Замечания преподавателя
- Испытание трансформатора методом непосредственной нагрузки
- ток в первичной обмотке трансформатора
- ток во вторичной обмотке трансформатора
Таблица 1 Характеристики трансформатора при U1 = U1ном = 220 В; cosφ2 = 1; f = 50 Гц
Опытные данные | Результаты вычислений | Примечание | ||||||||
I1 | P1 | U2 | I2 | β | cos𝜑1 | P2 | η | |||
дел. | А | дел. | Вт | В | А | - | - | Вт | - | |
0,00 | 0,00 | 0,00 | 0,00 | 133,00 | 0,00 | 0,00 | 0,00 | 0,00 | 0,00 | CA= 0,05 A/дел. СW= 10 Вт/дел. |
27,00 | 1,35 | 30,00 | 300,00 | 133,00 | 2,00 | 0,27 | 1,01 | 266,00 | 0,89 | |
39,00 | 1,95 | 44,00 | 440,00 | 132,00 | 3,00 | 0,40 | 1,03 | 396,00 | 0,90 | |
51,00 | 2,55 | 57,00 | 570,00 | 132,00 | 4,00 | 0,53 | 1,02 | 528,00 | 0,93 | |
66,00 | 3,30 | 74,00 | 740,00 | 132,00 | 5,20 | 0,69 | 1,02 | 686,40 | 0,93 | |
78,00 | 3,90 | 86,00 | 860,00 | 131,00 | 6,20 | 0,82 | 1,00 | 812,20 | 0,94 | |
93,00 | 4,65 | 101,00 | 1010,00 | 131,00 | 7,30 | 0,97 | 0,99 | 956,30 | 0,95 |
Характеристики лабораторной работы
Предмет
Учебное заведение
Номер задания
Просмотров
9
Размер
129,89 Kb
Список файлов
ЛР_7 (2).docx