Для студентов МГТУ им. Н.Э.Баумана по предмету Электротехника (ЭлТех)Испытание двигателя постоянного токаИспытание двигателя постоянного тока
5,00570
2025-01-062025-04-03СтудИзба
Лабораторная работа 6: Испытание двигателя постоянного тока
Описание
Отчет о работе № 6
Испытание двигателя постоянного тока
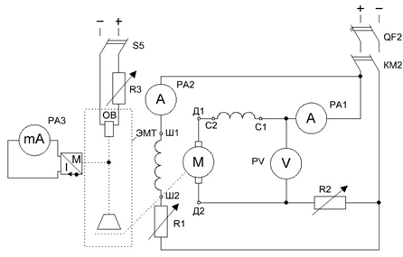
Схемы соединений
Рис 1. Электрическая схема исследуемой цепи
Замечания преподавателя:
Испытание двигателя постоянного тока
Схемы соединений
Рис 1. Электрическая схема исследуемой цепи
Замечания преподавателя:
- Снятие механических характеристик двигателя параллельного возбуждения.
| R = 640 Ом | ||||||||
| U1 (В) | U2 (В) | I1 (А) | I2 (А) | M (Нм) | n об/мин | P1 (Вт) | P2 (Вт) | ŋ (%) |
| 220 | 175 | 0,4 | 0,128 | 0,1 | 3160 | 110,4 | 33,09 | 29,97 |
| 217 | 175 | 0,59 | 0,127 | 0,2 | 3140 | 150,255 | 65,76 | 43,77 |
| 216 | 174 | 0,71 | 0,126 | 0,3 | 3120 | 175,284 | 98,02 | 55,92 |
| 216 | 174 | 0,85 | 0,125 | 0,4 | 3105 | 205,35 | 130,06 | 63,34 |
| 216 | 174 | 1 | 0,125 | 0,5 | 3085 | 237,75 | 161,53 | 67,94 |
| 216 | 174 | 1,2 | 0,125 | 0,6 | 3075 | 280,95 | 193,21 | 68,77 |
| 215 | 173 | 1,39 | 0,125 | 0,7 | 3065 | 320,475 | 224,68 | 70,11 |
| 215 | 172 | 1,58 | 0,125 | 0,8 | 3060 | 361,2 | 256,35 | 70,97 |
| 215 | 172 | 1,75 | 0,125 | 0,9 | 3045 | 397,75 | 286,98 | 72,15 |
| 215 | 172 | 1,95 | 0,125 | 1 | 3040 | 440,75 | 318,35 | 72,23 |
| 214 | 171 | 2,15 | 0,122 | 1,1 | 3035 | 480,962 | 349,61 | 72,69 |
| 214 | 171 | 2,37 | 0,122 | 1,2 | 3020 | 528,042 | 379,50 | 71,87 |
| R = 546,2 Ом | ||||||||
| U1 (В) | U2 (В) | I1 (А) | I2 (А) | M (Нм) | n об/мин | P1 (Вт) | P2 (Вт) | ŋ (%) |
| 225 | 220 | 0,4 | 0,16 | 0,1 | 3075 | 125,2 | 32,20 | 25,72 |
| 225 | 220 | 0,5 | 0,157 | 0,2 | 3050 | 147,04 | 63,88 | 43,44 |
| 225 | 220 | 0,7 | 0,155 | 0,3 | 3027 | 191,6 | 95,10 | 49,63 |
| 225 | 220 | 0,8 | 0,155 | 0,4 | 3010 | 214,1 | 126,08 | 58,89 |
| 225 | 220 | 1 | 0,154 | 0,5 | 2995 | 258,88 | 156,82 | 60,58 |
| 225 | 220 | 1,2 | 0,153 | 0,6 | 2980 | 303,66 | 187,24 | 61,66 |
| 225 | 220 | 1,29 | 0,152 | 0,7 | 2965 | 323,69 | 217,35 | 67,15 |
| 225 | 220 | 1,48 | 0,153 | 0,8 | 2950 | 366,66 | 247,14 | 67,40 |
| 225 | 220 | 1,6 | 0,154 | 0,9 | 2940 | 393,88 | 277,09 | 70,35 |
| 225 | 220 | 1,72 | 0,155 | 1 | 2930 | 421,1 | 306,83 | 72,86 |
| 225 | 220 | 1,95 | 0,152 | 1,1 | 2920 | 472,19 | 336,36 | 71,23 |
| 225 | 220 | 2,1 | 0,154 | 1,2 | 2900 | 506,38 | 364,42 | 71,97 |
| R = 182 Ом | ||||||||
| U1 (В) | U2 (В) | I1 (А) | I2 (А) | M (Нм) | n об/мин | P1 (Вт) | P2 (Вт) | ŋ (%) |
| 220 | 191 | 0,4 | 0,136 | 0,1 | 3100 | 113,98 | 32,46 | 28,48 |
| 218 | 190 | 0,52 | 0,135 | 0,2 | 3070 | 139,01 | 64,30 | 46,25 |
| 216 | 188 | 0,7 | 0,135 | 0,3 | 3050 | 176,58 | 95,82 | 54,26 |
| 216 | 188 | 0,85 | 0,135 | 0,4 | 3030 | 208,98 | 126,92 | 60,73 |
| 216 | 188 | 1 | 0,135 | 0,5 | 3010 | 241,38 | 157,60 | 65,29 |
| 215 | 187 | 1,15 | 0,132 | 0,6 | 2990 | 271,93 | 187,87 | 69,09 |
| 215 | 186 | 1,35 | 0,132 | 0,7 | 2980 | 314,80 | 218,45 | 69,39 |
| 215 | 186 | 1,5 | 0,132 | 0,8 | 2970 | 347,05 | 248,81 | 71,69 |
| 215 | 186 | 1,7 | 0,132 | 0,9 | 2960 | 390,05 | 278,97 | 71,52 |
| 214 | 186 | 1,85 | 0,132 | 1 | 2950 | 420,45 | 308,92 | 73,47 |
| 214 | 185 | 2,05 | 0,132 | 1,1 | 2940 | 463,12 | 338,66 | 73,13 |
| 213 | 185 | 2,29 | 0,131 | 1,2 | 2930 | 512,01 | 368,19 | 71,91 |
Характеристики лабораторной работы
Предмет
Учебное заведение
Номер задания
Просмотров
1
Размер
111,42 Kb
Список файлов
ЛР_6.docx
МГТУ им. Н.Э.Баумана
AlexInfinity



















