Лабораторная работа 3: Исследование однофазной цепи синусоидального тока при параллельном соединении приемников
Описание
Отчет о работе
Исследование однофазной цепи синусоидального тока при параллельном соединении приемников
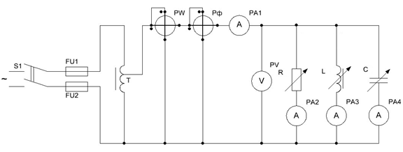
Схемы соединений

Замечания преподавателя:
1. Расчетное исследование цепи при изменении емкости параллельной ветви
№ | | | Исходные данные: | U = | 100 В; | R= | 60Ом; | L= | 0,12Гн; | f= | 50 Гц | | | |||
п/п | C | G | BL | Bc | B | Y | IR | IL | IC | I | φ | cosφ | P | Q | ||
| | мкФ | ×10-2, См | А | град | — | Вт | В×Ар | |||||||||
1 | 0,00 | 1,67 | 2,65 | 0,00 | 2,65 | 3,13 | 1,67 | 2,65 | 0,00 | 3,13 | 58 | 0,53 | 166,67 | 265,39 | ||
2 | 30,00 | 1,67 | 2,65 | 0,94 | 1,71 | 2,39 | 1,67 | 2,65 | 0,94 | 2,39 | 46 | 0,70 | 166,67 | 171,19 | ||
3 | 60,00 | 1,67 | 2,65 | 1,88 | 0,77 | 1,84 | 1,67 | 2,65 | 1,88 | 1,84 | 25 | 0,91 | 166,67 | 76,99 | ||
4 рез | 84,52 | 1,67 | 2,65 | 2,65 | 0,00 | 1,65 | 1,67 | 2,65 | 2,65 | 1,67 | 0 | 1,00 | 166,67 | 0,00 | ||
5 | 90,00 | 1,67 | 2,65 | 2,83 | -0,17 | 1,68 | 1,67 | 2,65 | 2,83 | 1,68 | -6 | 0,99 | 166,67 | -17,21 | ||
6 | 120,00 | 1,67 | 2,65 | 3,77 | -1,11 | 2,00 | 1,67 | 2,65 | 3,77 | 2,00 | -34 | 0,83 | 166,67 | -111,41 | ||
7 | 150,00 | 1,67 | 2,65 | 4,71 | -2,06 | 2,65 | 1,67 | 2,65 | 4,71 | 2,65 | -51 | 0,63 | 166,67 | -205,61 | ||
| | | | | | | | | | | | | | | | | |
Таблица №1. Результаты расчета цепи
МГТУ им. Н.Э.Баумана
AlexInfinity



















