Для студентов МГТУ им. Н.Э.Баумана по предмету Электротехника (ЭлТех)Исследование однофазной цепи синусоидального тока при последовательном соединении приемниковИсследование однофазной цепи синусоидального тока при последовательном соединении приемников
5,00571
2025-01-062025-04-03СтудИзба
Лабораторная работа 2: Исследование однофазной цепи синусоидального тока при последовательном соединении приемников
Описание
Отчет о работе
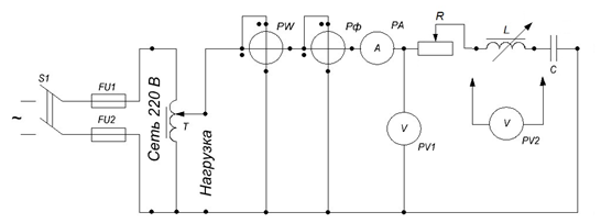
Исследование однофазной цепи синусоидального тока при последовательном соединении приемников
Схемы соединений

1. Расчетное исследование электрической цепи
Таблица 1. Результаты расчета цепи.
| | Исходные данные: U=85В; R=42Ом; C=23мкФ; f=50Гц |
Характеристики лабораторной работы
Предмет
Учебное заведение
Номер задания
Просмотров
3
Размер
102,91 Kb
Список файлов
ЛР_2.docx
МГТУ им. Н.Э.Баумана
AlexInfinity



















