Для студентов МГТУ им. Н.Э.Баумана по предмету Электротехника (ЭлТех)Исследование однофазной цепи синусоидального тока при последовательном соединении приемниковИсследование однофазной цепи синусоидального тока при последовательном соединении приемников
5,00573
2025-01-062025-04-03СтудИзба
Лабораторная работа 2: Исследование однофазной цепи синусоидального тока при последовательном соединении приемников
Описание
Отчет о работе
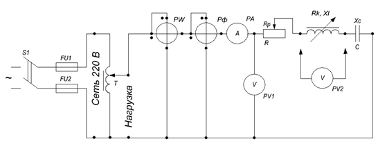
Исследование однофазной цепи синусоидального тока
при последовательном соединении приемников
СХЕМА СОЕДИНЕНИЙ
![]()
Исследование однофазной цепи синусоидального тока
при последовательном соединении приемников
СХЕМА СОЕДИНЕНИЙ

Таб №1 Результаты расчета цепи
№ | Исходные данные: U = 100В; R = 50Ом; C = 30мкФ; f = 50Гц | | | |
Характеристики лабораторной работы
Предмет
Учебное заведение
Номер задания
Просмотров
10
Размер
319,5 Kb
Список файлов
ЛР_2.doc
Комментарии
Нет комментариев
Стань первым, кто что-нибудь напишет!
МГТУ им. Н.Э.Баумана
AlexInfinity


















