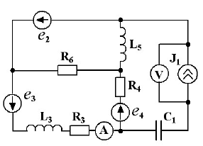
ДЗ 1: Методы анализа линейных разветвленных электрических цепей при синусоидальных воздействиях вариант 2
Новинка
Описание
Характеристики домашнего задания
Предмет
Учебное заведение
Номер задания
Вариант
Теги
Просмотров
5
Размер
11,09 Mb
Список файлов
2а.pdf
Комментарии
Нет комментариев
Стань первым, кто что-нибудь напишет!

МГТУ им. Н.Э.Баумана
meoww

















