ДЗ 1: Расчет линейных цепей синусоидального тока вариант 54
Описание
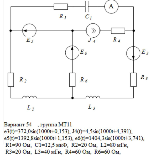
ДЗ1 по электротехнике. Расчет линейных цепей синусоидального тока. Принято на максимальную оценку. Оформление: все схемы в графическом редакторе; токи в цвете.
Выполнен переход из временной области в комплексную. Действующие значения токов подтверждены показаниями амперметров в программе MULTISIM .
Перевод токов обратно из комплексной области во временную. Графики токов на одной картинке разными цветами в MATLAB.
![]()
Выполнен переход из временной области в комплексную. Действующие значения токов подтверждены показаниями амперметров в программе MULTISIM .
Перевод токов обратно из комплексной области во временную. Графики токов на одной картинке разными цветами в MATLAB.

Характеристики домашнего задания
Предмет
Учебное заведение
Семестр
Номер задания
Вариант
Просмотров
12
Размер
344,36 Kb
Список файлов
ЭЛТЕХ ДЗ1.docx
Комментарии
Нет комментариев
Стань первым, кто что-нибудь напишет!
МГТУ им. Н.Э.Баумана


















