ДЗ: Расчет диодных и транзисторных цепей вариант 5
Описание
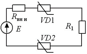
Задача 1
- Определить типы нелинейных элементов (НЭ) по справочной литературе.
- Нарисовать схему в соответствии с обозначением по ГОСТ для заданного типа НЭ (с учетом обратного включения стабилитронов и обращенных диодов).
- Представить справочные данные НЭ в табличной форме.
- Построить ВАХ НЭ.
- Рассчитать токи в схеме и напряжение на НЭ.
- Сделать выводы.
Номиналы резисторов, источников тока и напряжения и тип НЭ заданы в таблице.
Вар. | E, В | Rвн и, Ом | R1, Ом | R2, Ом | VD1,2 | |
5 | а | 18 | 1 | 50 | - | Д808 |

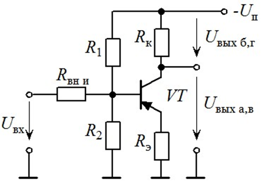
Задача 2
- Определить характеристики транзистора по справочной литературе.
- Нарисовать схему (рис. 1 или рис. 2) в соответствии с типом транзистора.
- Представить справочные данные транзистора в табличной форме.
- Рассчитать номиналы резисторов и входное напряжение (Uвх), которое нужно подать на схему, чтобы обеспечить заданное напряжение на выходе (для вариантов «а», «в» - Uвых а, в, для вариантов «б», «г» - Uвых б, г).
- Сделать выводы.
Данные для расчета приведены в таблице.
Рис. 1
Рис. 2
Вар. | Тип транзистора VT | Uп, В | Rвн и, Ом | Uвых, В |
5 | а | МП10А | 12 | 80 | 9 |
Задача 1 Определить типы нелинейных элементов (НЭ) по справочной литературе. Нарисовать схему в соответствии с обозначением по ГОСТ для заданного типа НЭ (с учетом обратного включения стабилитронов и обращенных диодов). Представить справочные данные НЭ в табличной форме. Построить ВАХ НЭ. Рассчитать токи в схеме и напряжение на НЭ. Сделать выводы. Задача 2 1.Определить характеристики транзистора по справочной литературе. 2.Нарисовать схему (рис. 1 или рис. 2) в соответствии с типом транзистора. 3.Представить справочные данные транзистора в табличной форме. 4. Рассчитать номиналы резисторов и входное напряжение (Uвх), которое нужно подать на схему, чтобы обеспечить заданное напряжение на выходе (для вариантов «а», «в» - Uвых а, в, для вариантов «б», «г» - Uвых б, г).
5.Сделать выводы. Данные для расчета приведены в таблице. .