Для студентов МГТУ им. Н.Э.Баумана по предмету Электротехника (ЭлТех)Модульное Домашнее Задание № 2Модульное Домашнее Задание № 2
5,00541
2024-09-152024-09-15СтудИзба
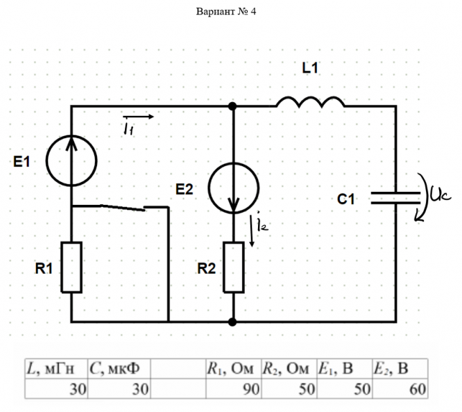
ДЗ 2: Модульное Домашнее Задание № 2 вариант 4
Описание
Все зачтено с первой попытки ![]()

Характеристики домашнего задания
Предмет
Учебное заведение
Семестр
Номер задания
Вариант
Просмотров
183
Размер
785,01 Kb
Преподаватели
Список файлов
Модульное Домашнее Задание2.docx
Комментарии

Ворд