Для студентов МГТУ им. Н.Э.Баумана по предмету Электротехника (ЭлТех)ДЗ №1 вариант 84ДЗ №1 вариант 84
5,0051
2023-06-222023-06-22СтудИзба
ДЗ 1: ДЗ №1 вариант 84 вариант 84
Описание
Характеристики домашнего задания
Предмет
Учебное заведение
Номер задания
Вариант
Программы
Просмотров
48
Размер
535,49 Kb
Список файлов
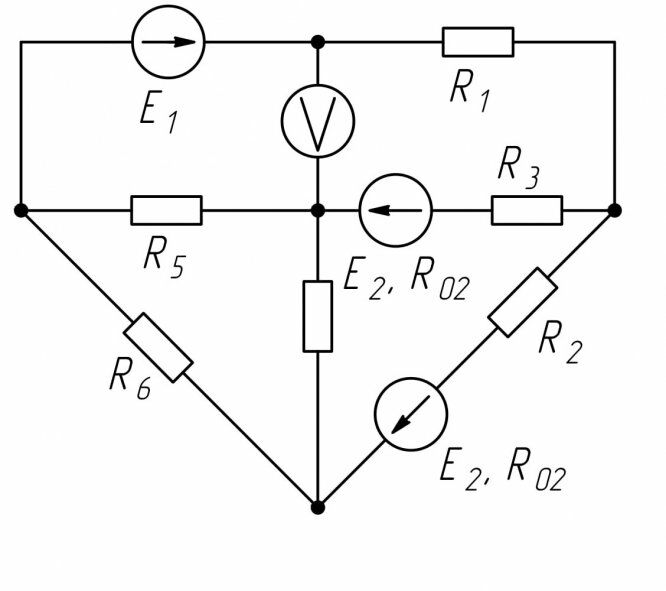
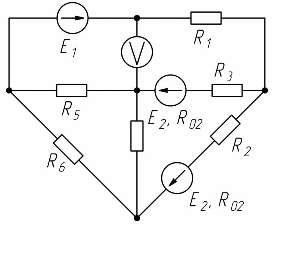
элтех схема.pdf
элтех схема-1.jpg
элтех.dwg
элтех.png
элтех.xmcd

Вам все понравилось? Получите кэшбэк - 40 рублей на Ваш счёт при покупке. Поставьте оценку и напишите положительный комментарий к купленному файлу. После Вы получите деньги на ваш счет.