Для студентов МГТУ им. Н.Э.Баумана по предмету Электротехника (ЭлТех)Методы анализа линейных разветвленных электрических цепей при синусоидальных воздействияхМетоды анализа линейных разветвленных электрических цепей при синусоидальных воздействиях
4,915683
2023-03-152024-10-05СтудИзба
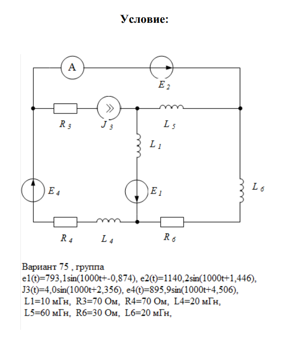
ДЗ 1: Методы анализа линейных разветвленных электрических цепей при синусоидальных воздействиях вариант 75
-15%
Описание
При покупке Вы можете получить подарок 20 руб.
Зачтено на максимальный балл!!!
Идеальноекачествофайлов, документов💥💥💥
Не только копировать, а нужно понимать!
Характеристики домашнего задания
Предмет
Учебное заведение
Номер задания
Вариант
Программы
Теги
Просмотров
79
Качество
Идеальное компьютерное
Размер
264,42 Kb
Список файлов
Дз1_Вариант75_Элтех_сем3.pdf

Ваше удовлетворение является нашим приоритетом. Вставьте 5 звезд и позитивные комментарии сразу дам Вам подарок. Благодарю за использование моей службы!!