Для студентов МГТУ им. Н.Э.Баумана по предмету Электротехника (ЭлТех)Методы анализа линейных разветвленных электрических цепей при синусоидальных воздействияхМетоды анализа линейных разветвленных электрических цепей при синусоидальных воздействиях
5,0051
2023-02-212024-10-05СтудИзба
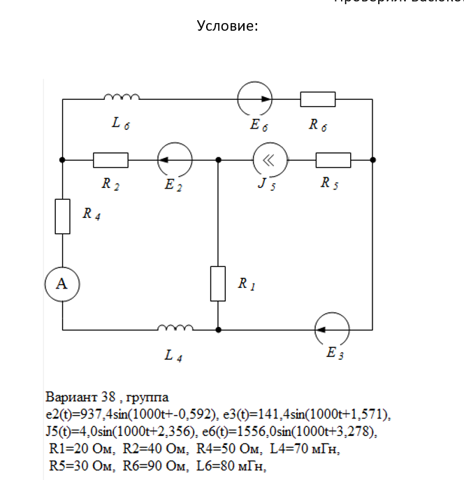
ДЗ 1: Методы анализа линейных разветвленных электрических цепей при синусоидальных воздействиях вариант 38
-32%
Описание
При покупке Вы можете получить подарок 20 руб.
Зачтено на максимальный балл!!!
Характеристики домашнего задания
Предмет
Учебное заведение
Номер задания
Вариант
Программы
Теги
Просмотров
95
Качество
Идеальное компьютерное
Размер
438,77 Kb
Список файлов
Дз1_Вариант38_Элтех_сем3.docx

Ваше удовлетворение является нашим приоритетом. Вставьте 5 звезд и позитивные комментарии сразу дам Вам подарок. Благодарю за использование моей службы!!