Для студентов МГТУ им. Н.Э.Баумана по предмету Электротехника (ЭлТех)Расчет линейных цепей постоянногоРасчет линейных цепей постоянного
5,0051
2022-10-062022-10-06СтудИзба
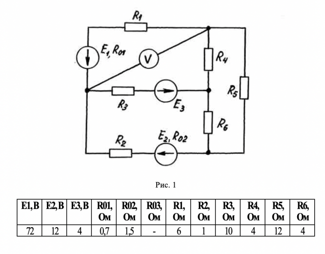
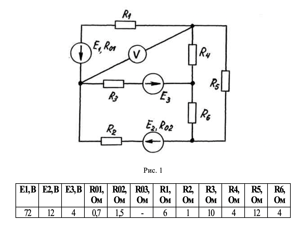
ДЗ 1: Расчет линейных цепей постоянного вариант 21
Описание
Характеристики домашнего задания
Предмет
Учебное заведение
Семестр
Номер задания
Вариант
Программы
Просмотров
41
Качество
Идеальное компьютерное
Размер
3,15 Mb
Список файлов
Элтех.docx
Комментарии
Нет комментариев
Стань первым, кто что-нибудь напишет!
МГТУ им. Н.Э.Баумана


















