Для студентов МГТУ им. Н.Э.Баумана по предмету Электротехника (ЭлТех)ДЗ 1 Вариант 15 - Постоянный токДЗ 1 Вариант 15 - Постоянный ток
4,36511
2022-02-022022-02-02СтудИзба
ДЗ 1: ДЗ 1 Вариант 15 - Постоянный ток вариант 15
Описание
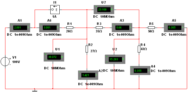
Резисторы R1=20 Ом, R5 =50 Ом остальные из таблицы в соответствии с номером по списку группы. | № | R2Ом | R3Ом | R4Ом |
| 15 | 27 | 35 | 43 |
- Собрать схему в MULTISIM.
- Провести расчет токов методами контурных токов и узловых потенциалов.
- Сравнить результаты расчетов и моделирования.
- Провести расчет баланса мощности.
- R3 выбрать в качестве нагрузки. Провести расчет эквивалентного генератора. Rист рассчитываем двумя способами и сравниваем. Определить согласованную нагрузку. Построить графики мощности нагрузки, к.п.д., напряжения на нагрузки как функции тока нагрузки.
Характеристики домашнего задания
Предмет
Учебное заведение
Семестр
Номер задания
Вариант
Просмотров
100
Качество
Идеальное компьютерное
Размер
239,22 Kb
Список файлов
Комментарии
Нет комментариев
Стань первым, кто что-нибудь напишет!
МГТУ им. Н.Э.Баумана



















