Для студентов МГТУ им. Н.Э.Баумана по предмету Электротехника (ЭлТех)Вариант 4-16 F - ДЗ №1 - Цифровая ЭлектроникаВариант 4-16 F - ДЗ №1 - Цифровая Электроника
4,27511
2022-01-112022-01-11СтудИзба
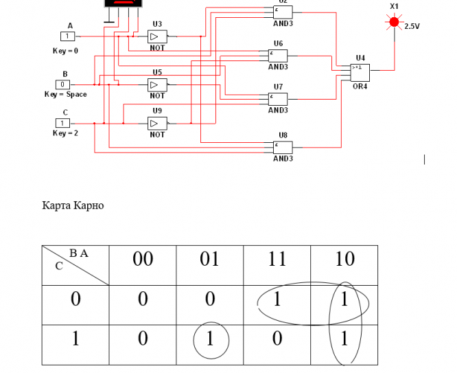
ДЗ 1: Вариант 4-16 F - ДЗ №1 - Цифровая Электроника вариант 4
Описание
Характеристики домашнего задания
Предмет
Учебное заведение
Номер задания
Вариант
Теги
Просмотров
32
Качество
Идеальное компьютерное
Размер
47,35 Kb
Список файлов
ДЗ1 Розанов.docx
Комментарии
Нет комментариев
Стань первым, кто что-нибудь напишет!
МГТУ им. Н.Э.Баумана


















