Для студентов МГТУ им. Н.Э.Баумана по предмету Электротехника (ЭлТех)Вариант 47 - ДЗ №1 - Расчет сложных линейных цепей постоянного токаВариант 47 - ДЗ №1 - Расчет сложных линейных цепей постоянного тока
5,005111
2021-11-082021-11-08СтудИзба
ДЗ 1: Вариант 47 - ДЗ №1 - Расчет сложных линейных цепей постоянного тока вариант 47
Описание
Домашнее задание № 1 часть1
по курсу «Электротехника и электроника»
на тему «Расчет сложных линейных цепей постоянного тока»
Вариант №47
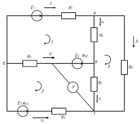
Условие.
Дано: Е1=36 В; Е2=25 В; Е3=10 В; R02=0,4 Ом; R03=0.5 Ом; R1=4 Ом;
R2=8 Ом; R3=3; R4=1 Ом; R5=2 Ом; R6=7 Ом.

Со скринами из мультисима и ответами на контрольные вопросы
Характеристики домашнего задания
Предмет
Учебное заведение
Семестр
Номер задания
Вариант
Просмотров
150
Качество
Идеальное компьютерное
Размер
2,49 Mb
Список файлов
Дз1 вариант 47.docx
Комментарии

Отзыв
все правильно