Для студентов МГТУ им. Н.Э.Баумана по предмету Электротехника (ЭлТех)Вариант 23 - Расчет цепей переменного тока - ДЗ №2Вариант 23 - Расчет цепей переменного тока - ДЗ №2
5,00514
2021-11-032021-11-03СтудИзба
ДЗ 2: Вариант 23 - Расчет цепей переменного тока - ДЗ №2 вариант 23
Описание
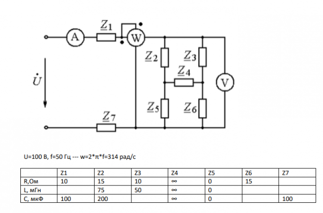
На последней диаграмме не отмечены токи!
Характеристики домашнего задания
Предмет
Учебное заведение
Семестр
Номер задания
Вариант
Просмотров
323
Качество
Идеальное компьютерное
Размер
510,86 Kb
Список файлов
Комментарии
Нет комментариев
Стань первым, кто что-нибудь напишет!
МГТУ им. Н.Э.Баумана


















