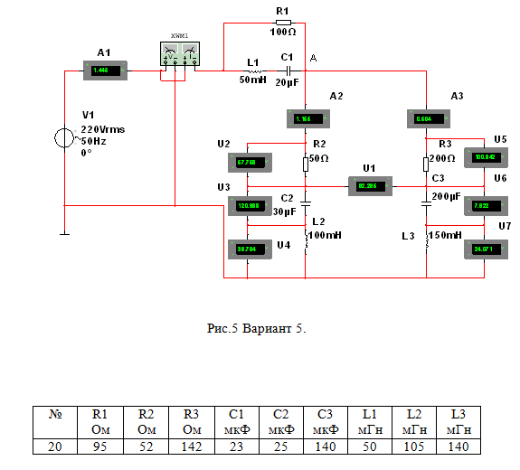
Для студентов МГТУ им. Н.Э.Баумана по предмету Электротехника (ЭлТех)ДЗ 2 по переменному току 20 вариантДЗ 2 по переменному току 20 вариант
4,63568
2021-06-092021-06-09СтудИзба
ДЗ 2: ДЗ 2 по переменному току 20 вариант вариант 20
Описание

Характеристики домашнего задания
Предмет
Учебное заведение
Семестр
Номер задания
Вариант
Просмотров
57
Качество
Идеальное компьютерное
Размер
140,83 Kb
Список файлов
Переменный ток 20 вариант.docx
Комментарии
Нет комментариев
Стань первым, кто что-нибудь напишет!
МГТУ им. Н.Э.Баумана

















