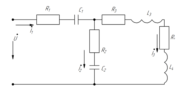
Для студентов МГТУ им. Н.Э.Баумана по предмету Электротехника (ЭлТех)15 вариант, переменный ток15 вариант, переменный ток
5,0053
2021-04-222021-04-22СтудИзба
ДЗ 2: 15 вариант, переменный ток вариант 15
Описание
Дз сделано в Word,проверено преподавателем ![]()

Характеристики домашнего задания
Предмет
Учебное заведение
Семестр
Номер задания
Вариант
Просмотров
155
Размер
627,96 Kb
Список файлов
Комментарии
Нет комментариев
Стань первым, кто что-нибудь напишет!
МГТУ им. Н.Э.Баумана

















