ДЗ 2: Вариант 48 ДЗ2 (Соболев) вариант 48
Описание
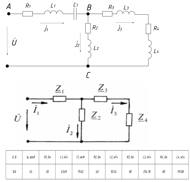
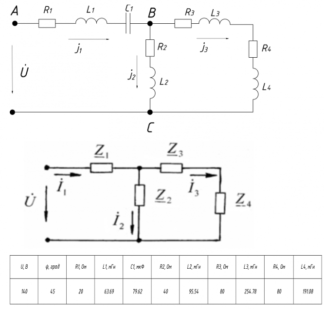
1. В соответствии с номером варианта домашнего задания на-рисовать подробную схему с указанием отдельных элементов (R,L,C) и выписать исходные числовые данные из табл. П1, приведенной в приложении 1 методических указаний.
2. Используя символический метод, для исходной схемы (рис. П1приложения 2) составить систему уравнений по законам Кирхгофа, подставить в нее числовые значения, соответствующие рассматриваемому варианту задания, и, используя компьютер, определить все токи в ветвях схемы.
3. Записать уравнение баланса мощностей для исходной схемы, подставить известные числовые значения и оценить относительные погрешности расчета значений активной и реактивной мощностей.
4. Рассчитать потенциалы всех точек в исходной схеме, приняв за нулевой потенциал нижнего узла схемы. Построить на одном графике (совмещенную) векторную диаграмму токов и топографическую диаграмму напряжений для исходной схемы. Обозначить на ней напряжения, соответствующие всем элементам схемы.
5. Определить показания амперметра, вольтметра и ваттметра, указанных в исходной схеме.
6. Используя метод эквивалентного генератора, определить ток I2 в ветви с сопротивлением Z2 (см. рис. П1). Сопоставить полученное значение этого тока с результатами расчета предыдущим методом.
7. Ввести в исходную схему дополнительный элемент Z5, обеспечивающий в ветви с сопротивлением Z2 режим резонанса напряжений. Используя метод эквивалентного генератора, определить ток и напряжения в ветви с сопротивлением Z2. Построить совмещенную векторную диаграмму токов и топографическую диаграмму напряжений для используемой в этом пункте задания преобразованной схемы.
8. Ввести в исходную схему дополнительную ветвь с сопротивлением Z6 параллельно ветви с сопротивлением Z2, чтобы обеспечить на рассматриваемом участке режим резонанса токов. Используя метод эквивалентного генератора, определить токи в сопротивлениях Z2 и Z6 и суммарный ток участка цепи. Построить совмещенную векторную диаграмму токов и топографическую диаграмму напряжений для используемой в этом пункте задания преобразованной схемы.
МГТУ им. Н.Э.Баумана

















