Для студентов МГТУ им. Н.Э.Баумана по предмету Электротехника (ЭлТех)ДЗ1 цепи постоянного токаДЗ1 цепи постоянного тока
4,94523
2021-04-072021-04-07СтудИзба
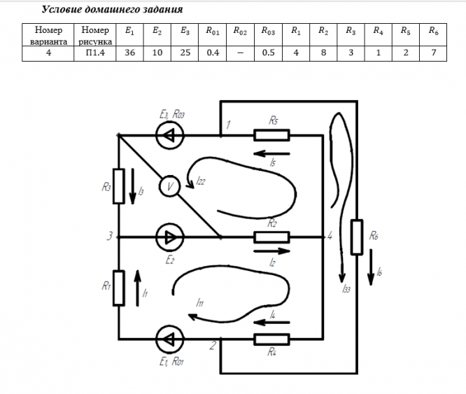
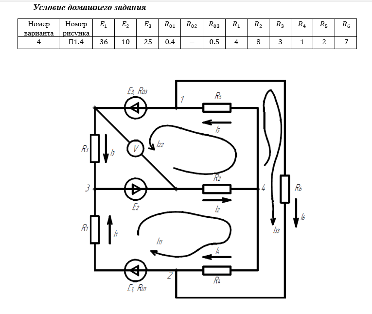
ДЗ 1: ДЗ1 цепи постоянного тока вариант 4
Описание
Характеристики домашнего задания
Предмет
Учебное заведение
Семестр
Номер задания
Вариант
Просмотров
306
Размер
154,24 Kb
Список файлов
Дз1 ЭлТех.docx
МГТУ им. Н.Э.Баумана

















