Для студентов МГТУ им. Н.Э.Баумана по предмету Электротехника (ЭлТех)Элтех ДЗ 1 вариант 35 (Word+Mathcad)Элтех ДЗ 1 вариант 35 (Word+Mathcad)
5,0056
2021-01-252021-01-25СтудИзба
ДЗ 1: Элтех ДЗ 1 вариант 35 (Word+Mathcad) вариант 35
Описание
Домашнее задание №1
По курсу «Электротехника и электроника» факультета СМ
На тему «Расчёт цепей постоянного тока»
Вариант №35
Файл Word и Mathcad, со всеми схемами и формулами
Оценено на максимальный балл, без ошибок
Задание состоит из следующих пунктов:
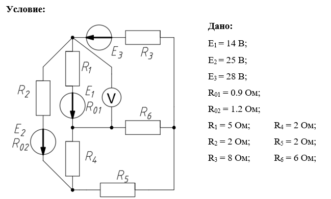
1. В соответствии с вариантом домашнего задания, начертить заданную схему электрической цепи и выписать исходные числовые данные из таблицы исходных данных.
2. Для заданной схемы электрической цепи составить систему уравнений с помощью законов Кирхгофа, подставить числовые значения, соответствующие рассматриваемому варианту задания, и используя компьютер, определить все токи в ветвях схемы (расчёт привести в приложении к домашнему заданию).
3. Записать уравнение баланса мощностей для заданной схемы электрической цепи, подставить известные числовые значения и рассчитать баланс мощностей. Оценить относительную погрешность расчёта.
4. Для заданной схемы электрической цепи составить систему уравнений, применяя метод контурных токов, подставить числовые значения, и используя компьютер, определить все токи в ветвях заданной схемы (расчёт привести в приложении к домашнему заданию).
5. Преобразовать заданную схему электрической цепи в эквивалентную, заменив пассивный треугольник резисторов R4, R5, R6 эквивалентной звездой.
- Начертить полученную электрическую цепь с эквивалентной звездой и обозначить на ней токи.
- Рассчитать полученную электрическую цепь, используя метод межузлового напряжения (метод двух узлов).
- Определить все токи, соответствующие исходной схеме электрической цепи.
6. Определить ток в резисторе R6 методом эквивалентного генератора. Сопоставить полученное значение тока с результатами расчёта его другими методами.
7. Определить показания вольтметра, указанного в исходной схеме электрической це-пи.
8. Начертить схему внешнего контура заданной схемы электрической цепи. Рассчитать и построить потенциальную диаграмму для внешнего контура исходной схемы.
![]()
По курсу «Электротехника и электроника» факультета СМ
На тему «Расчёт цепей постоянного тока»
Вариант №35
Файл Word и Mathcad, со всеми схемами и формулами
Оценено на максимальный балл, без ошибок
Задание состоит из следующих пунктов:
1. В соответствии с вариантом домашнего задания, начертить заданную схему электрической цепи и выписать исходные числовые данные из таблицы исходных данных.
2. Для заданной схемы электрической цепи составить систему уравнений с помощью законов Кирхгофа, подставить числовые значения, соответствующие рассматриваемому варианту задания, и используя компьютер, определить все токи в ветвях схемы (расчёт привести в приложении к домашнему заданию).
3. Записать уравнение баланса мощностей для заданной схемы электрической цепи, подставить известные числовые значения и рассчитать баланс мощностей. Оценить относительную погрешность расчёта.
4. Для заданной схемы электрической цепи составить систему уравнений, применяя метод контурных токов, подставить числовые значения, и используя компьютер, определить все токи в ветвях заданной схемы (расчёт привести в приложении к домашнему заданию).
5. Преобразовать заданную схему электрической цепи в эквивалентную, заменив пассивный треугольник резисторов R4, R5, R6 эквивалентной звездой.
- Начертить полученную электрическую цепь с эквивалентной звездой и обозначить на ней токи.
- Рассчитать полученную электрическую цепь, используя метод межузлового напряжения (метод двух узлов).
- Определить все токи, соответствующие исходной схеме электрической цепи.
6. Определить ток в резисторе R6 методом эквивалентного генератора. Сопоставить полученное значение тока с результатами расчёта его другими методами.
7. Определить показания вольтметра, указанного в исходной схеме электрической це-пи.
8. Начертить схему внешнего контура заданной схемы электрической цепи. Рассчитать и построить потенциальную диаграмму для внешнего контура исходной схемы.

Характеристики домашнего задания
Предмет
Учебное заведение
Семестр
Номер задания
Вариант
Просмотров
128
Качество
Идеальное компьютерное
Размер
551,74 Kb
Список файлов
Mathcad - Элтех.pdf
ДЗ№1.docx
Элтех.dwg
Элтех.xmcd
МГТУ им. Н.Э.Баумана



















