Для студентов МГТУ им. Н.Э.Баумана по предмету Электротехника (ЭлТех)ДЗ 1. Вариант 1-3. F(0, 1, 3, 4, 7). [Word + MultiSim]ДЗ 1. Вариант 1-3. F(0, 1, 3, 4, 7). [Word + MultiSim]
5,0053
2021-01-032021-01-03СтудИзба
ДЗ: ДЗ 1. Вариант 1-3. F(0, 1, 3, 4, 7). [Word + MultiSim]
Описание
В архиве:
- Оформленный в Word отчет, все подробно и аккуратно расписано;
- Все необходимые (4 штуки) схемы MultiSim;
Исходные данные: F (0, 1, 3, 4, 7);
Запишем таблицу истинности для заданной функции:
№ | C | B | A | F |
0 | 0 | 0 | 0 | 1 |
1 | 0 | 0 | 1 | 1 |
2 | 0 | 1 | 0 | 0 |
3 | 0 | 1 | 1 | 1 |
4 | 1 | 0 | 0 | 1 |
5 | 1 | 0 | 1 | 0 |
6 | 1 | 1 | 0 | 0 |
7 | 1 | 1 | 1 | 1 |
По таблице истинности запишем дизъюнктивную совершенную форму:

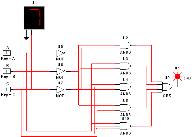
Собираем схему для полученной функции в ее совершенной дизъюнктивной форме – рисунок 1, затем проверяем ее работоспособность по таблице истинности.
Синтез схемы начинаем с конечного элемента.

Рисунок 1 - Совершенная дизъюнктивная форма функции
Характеристики домашнего задания
Предмет
Учебное заведение
Семестр
Просмотров
30
Качество
Идеальное компьютерное
Размер
538,97 Kb
Список файлов
1HW
1-3 (1 ДЗ).docx
7400.ms14
Нормальная дизъюнктивная.ms14
Совершенная дизъюнктивная.ms14
штрих Шеффера.ms14
Комментарии
Нет комментариев
Стань первым, кто что-нибудь напишет!
МГТУ им. Н.Э.Баумана
catspinner

















