Для студентов МГТУ им. Н.Э.Баумана по предмету Электротехника (ЭлТех)Вариант 43Вариант 43
5,0056
2020-12-222020-12-22СтудИзба
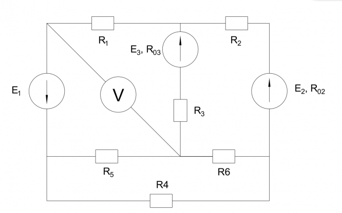
ДЗ 2: Вариант 43 вариант 43
Описание
Характеристики домашнего задания
Предмет
Учебное заведение
Семестр
Номер задания
Вариант
Просмотров
53
Размер
1,95 Mb
Список файлов
Комментарии
Нет комментариев
Стань первым, кто что-нибудь напишет!
МГТУ им. Н.Э.Баумана
3JI0u_4uTep


















