Для студентов МГТУ им. Н.Э.Баумана по предмету Электротехника (ЭлТех)Анализ установившихся и переходных режимов в линейных электрических цепях - Вариант №6аАнализ установившихся и переходных режимов в линейных электрических цепях - Вариант №6а
5,0052
2020-10-292020-10-29СтудИзба
ДЗ: Анализ установившихся и переходных режимов в линейных электрических цепях - Вариант №6а вариант 6А
Описание
Анализ установившихся и переходных режимов в линейных электрических цепях
Содержание | |||
Название пункта | Стр. | ||
1. | Расчет источника гармонических колебаний. | 5 | |
1.1. | Определить все токи, показания вольтметра и амперметра электромагнитной системы. | 6 | |
1.2. | Составить и рассчитать баланс мощностей. | 7 | |
1.3. | Записать мгновенные значения токи и напряжения первичной обмотки трансформатора Т1 и построить их волновую диаграмму. | 7 | |
1.4. | Представить исходную схему ИГК относительно первичной обмотки трансформатора эквивалентным источником (напряжения или тока). Определить его параметры и значение тока в первичной обмотке трансформатора. Сравнить значение тока со значением, полученным в п. 1.1. | 8 | |
1.5. | Определить значения Mnq, Mnp, Lq, Lp ТР из условия, что индуктивность первичной обмотки Ln известна, U1=5В, U2=10В, а коэффициент магнитной связи обмоток k следует выбрать самостоятельно из указанного диапазона: 0,5 < k < 0,95 (n, p, q – номера индуктивностей ТР). | 9 | |
2. | Расчет четырехполюсника. | 10 | |
2.1. | Рассчитать токи и напряжения методом входного сопротивления (или входной проводимости), построить векторную диаграмму токов и напряжений. | 11 | |
2.2. | Записать мгновенные значения u1 = u3= uвх, iвх и uвых определить сдвиг по фазе между выходным и входным напряжениями, а так же отношение их действующих значений. | 13 | |
2.3. | Определить передаточные функции: W(s)=Uвых(s)/Uвх(s), W(jω)= Uвых(s)/Uвх(s). | 13 | |
2.4. | Определить и построить амплитудно- и фазочастотные характеристики. Используя частотные характеристики, определить при заданном . Сравнить этот результат с полученным в п. 2.2. | 14 | |
2.5 | Построить годограф – линию семейства точек комплексной передаточной функции при разных частотах в диапазоне частот от 0 до ∞ на комплексной плоскости. | 17 | |
3. | Расчет установившихся значений напряжений и токов в электрических цепях при несинусоидальном воздействии. | 18 | |
3.1. | Рассчитать законы изменения тока и напряжения частотным методом, представив напряжение в виде ряда Фурье до 5-й гармоники: , где k-целое начетное число. | 18 | |
3.2. | Построить графики в одном масштабе времени один под другим, где и – суммарные мгновенные значения. | 19 | |
3.3. | Определить действующие значения несинусоидальных токов и напряжений из расчетов п. 3.1., полную (кажущуюся) мощность, а также активную мощность, потребляемую четырехполюсником, реактивную мощность, коэффициенты формы кривых . | 20 | |
3.4. | Заменить несинусоидальные кривые эквивалентными синусоидами. | 21 | |
4. | Расчет переходных процессов классическим методом. | 22 | |
4.1. | Определить и построить переходную и импульсную характеристики цепи для входного тока и выходного напряжения. Показать связь этих характеристик с передаточными функциями, с АЧХ. | 22 | |
4.2. | Рассчитать и построить графики изменения тока и напряжения четырехполюсника при подключении его к клеммам с напряжением в момент с учетом запаса энергии в элементах цепи от предыдущего режима работы на интервале , где T – период изменения напряжения . | 26 | |
4.3. | Рассчитать и построить графики напряжения на выходе и на емкостях, а также токи на входе и в индуктивностях в квазиустановившемся режиме на интервале методом припасовывания. Сравнить результаты с полученными в п. 3.1., б. | 32 | |
5. | Выводы. | 35 | |
4. | Список литературы. | 36 |
Структурная схема исследования электрической цепи ![]()
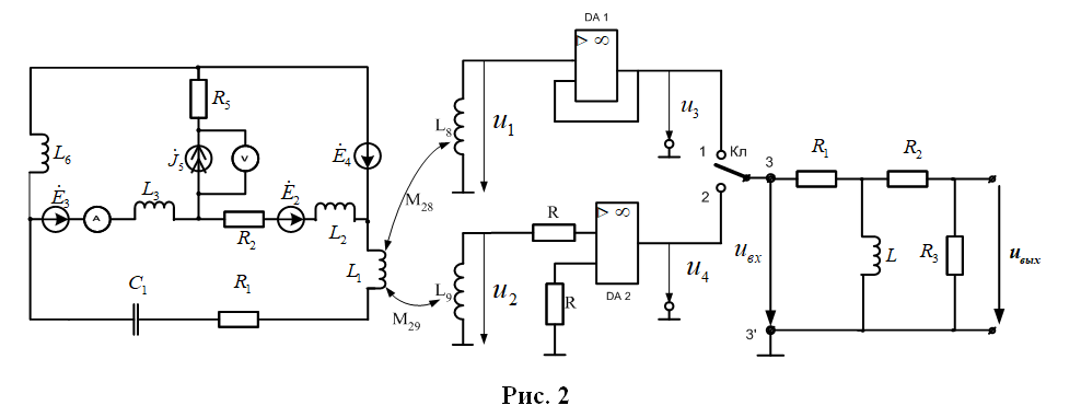
Функциональная схема электрической цепи ![]()
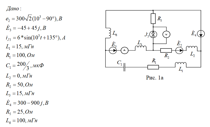
Расчет источника гармонических колебаний ![]()
Характеристики домашнего задания
Предмет
Учебное заведение
Семестр
Вариант
Программы
Просмотров
141
Качество
Идеальное компьютерное
Размер
2,19 Mb
Список файлов
КП - Анализ установившихся и переходных режимов в линейных электрических цепях - Вариант №6а.doc

Вам все понравилось? Получите кэшбэк - 40 рублей на Ваш счёт при покупке. Поставьте оценку и напишите положительный комментарий к купленному файлу. После Вы получите деньги на ваш счет.