Для студентов МГТУ им. Н.Э.Баумана по предмету Электротехника (ЭлТех)ДЗ №2 Вариант 3-9 ВасильевДЗ №2 Вариант 3-9 Васильев
4,735240
2020-10-272020-10-27СтудИзба
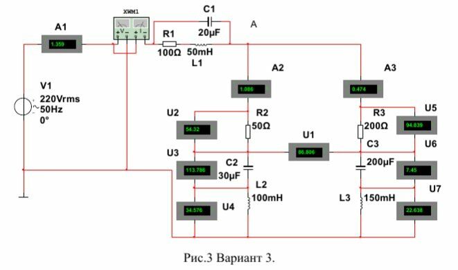
ДЗ 2: ДЗ №2 Вариант 3-9 Васильев вариант 3
Описание

Характеристики домашнего задания
Предмет
Учебное заведение
Семестр
Номер задания
Вариант
Теги
Просмотров
124
Размер
202,89 Kb
Список файлов
dz-2_po_elektronike_chernov.docx
МГТУ им. Н.Э.Баумана


















