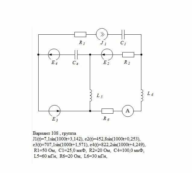
Для студентов МГТУ им. Н.Э.Баумана по предмету Электротехника (ЭлТех)домашнее задание вар 108домашнее задание вар 108
5,0054
2020-10-202020-10-20СтудИзба
ДЗ 1: домашнее задание вар 108 вариант 108
Описание

Характеристики домашнего задания
Предмет
Учебное заведение
Семестр
Номер задания
Вариант
Просмотров
113
Размер
171,07 Kb
Список файлов
вар 108.docx
Комментарии
Нет комментариев
Стань первым, кто что-нибудь напишет!
МГТУ им. Н.Э.Баумана
vk_141195964



















