Для студентов МГТУ им. Н.Э.Баумана по предмету Электротехника (ЭлТех)Домашнее задание "Анализ переходных процессов электрической цепи"Домашнее задание "Анализ переходных процессов электрической цепи"
5,0051
2020-09-092025-05-28СтудИзба
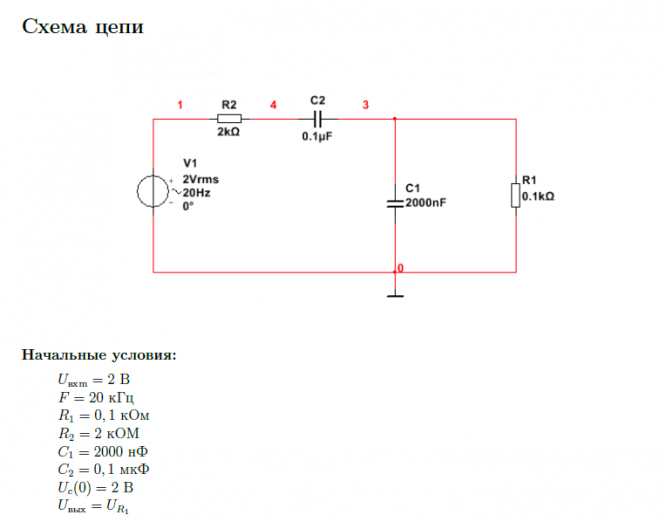
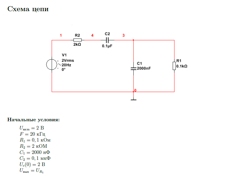
ДЗ 3: Домашнее задание "Анализ переходных процессов электрической цепи" вариант 19
Описание
Характеристики домашнего задания
Предмет
Учебное заведение
Семестр
Номер задания
Вариант
Просмотров
122
Размер
222,22 Kb
Список файлов
Домашнее задание №3 (вариант №19).pdf

НОВИНКА: отчеты по практикам! Поиск - по названию предприятия в тэге. База учебных материалов МГТУ им. Н.Э. Баумана в формате pdf, оригиналы файлов отсутствуют (если иное не оговорено в описании). Вопросы задавайте ДО покупки в комментариях под файлами.