Для студентов МГТУ им. Н.Э.Баумана по предмету Электротехника (ЭлТех)дз 2 (12 вариант)+ MultiSimдз 2 (12 вариант)+ MultiSim
5,0052
2020-04-092020-04-09СтудИзба
ДЗ 2: дз 2 (12 вариант)+ MultiSim вариант 12
Описание
1. Задание
1) Изучить теоретическое введение и методические указания по выполнению домашнего задания.
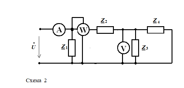
2) Начертить схему с элементами согласно варианту.
3) Определить количество узлов, ветвей и независимых контуров.
4) Определить количество уравнений по первому и второму законов Кирхгофа.
5) Составить уравнения по первому и второму законов Кирхгофа.
6) Рассчитать эквивалентное сопротивление схемы и определить характер цепи.
7) Определить токи в ветвях методом эквивалентных преобразований.
Записать токи в алгебраической, показательной и во временной форме.
8) Составить и рассчитать баланс мощностей. Определить коэффициент мощности цепи.
9) Рассчитать напряжения на элементах и построить векторную диаграмму токов и напряжений всей цепи.
10) Определить показания приборов.
11) Начертить схему замещения исходя из характера цепи. Ввести в схему замещения дополнительный элемент, обеспечивающий в цепи резонанс напряжений. Рассчитать напряжения и ток, построить векторную диаграмму.
12) Ввести в схему замещения дополнительный элемент, обеспечивающий в цепи резонанс токов. Рассчитать напряжение и токи, построить векторную диаграмму.
13) Собрать исходную схему в среде MULTISIM. Поставить приборы и измерить токи, напряжение и мощность.![]()
1) Изучить теоретическое введение и методические указания по выполнению домашнего задания.
2) Начертить схему с элементами согласно варианту.
3) Определить количество узлов, ветвей и независимых контуров.
4) Определить количество уравнений по первому и второму законов Кирхгофа.
5) Составить уравнения по первому и второму законов Кирхгофа.
6) Рассчитать эквивалентное сопротивление схемы и определить характер цепи.
7) Определить токи в ветвях методом эквивалентных преобразований.
Записать токи в алгебраической, показательной и во временной форме.
8) Составить и рассчитать баланс мощностей. Определить коэффициент мощности цепи.
9) Рассчитать напряжения на элементах и построить векторную диаграмму токов и напряжений всей цепи.
10) Определить показания приборов.
11) Начертить схему замещения исходя из характера цепи. Ввести в схему замещения дополнительный элемент, обеспечивающий в цепи резонанс напряжений. Рассчитать напряжения и ток, построить векторную диаграмму.
12) Ввести в схему замещения дополнительный элемент, обеспечивающий в цепи резонанс токов. Рассчитать напряжение и токи, построить векторную диаграмму.
13) Собрать исходную схему в среде MULTISIM. Поставить приборы и измерить токи, напряжение и мощность.

Характеристики домашнего задания
Предмет
Учебное заведение
Семестр
Номер задания
Вариант
Просмотров
287
Качество
Фото рукописных листов
Размер
24,88 Mb
Список файлов
дз2.docx
дз2.pdf
Комментарии
Нет комментариев
Стань первым, кто что-нибудь напишет!
МГТУ им. Н.Э.Баумана
vk_112127234
















