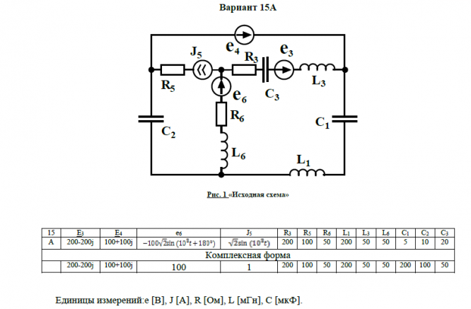
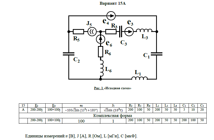
Курсовая работа: Анализ установившихся и переходных режимов в линейных электрических цепях (вариант №15A) вариант 15
Описание
Характеристики курсовой работы
Предмет
Учебное заведение
Семестр
Вариант
Теги
Просмотров
162
Размер
1001,88 Kb
Список файлов
Анализ установившихся и переходных режимов (вариант №15A).pdf
Комментарии
Нет комментариев
Стань первым, кто что-нибудь напишет!
МГТУ им. Н.Э.Баумана

















